NTN CM-UKP305ED1 (when used with HE2305)軸承技術規格
| 類型 | 軸承座 |
| 軸承類型 | 滾珠軸承 |
| 鎖緊裝置 | 緊定襯套 |
| 密封型式 | 接觸式 |
| 密封圈材質 | 丁腈橡膠 |
| 軸承型號 | UK305D1 |
| 軸承座型號 | P305D1 |
| 殼體鑄造型式 | 一體成型 |
| 端蓋類型 | 一端開式,一端封閉式 |
| 性能 | 重型 |
| 基本額定動載荷 | 4750 lbf 21200 N 21.20 kN |
| 基本額定靜載荷 | 2450 lbf 10900 N 10.90 kN |
| 重量 | 4.200 lb 1.900 kg |
| 應用溫度范圍 | -40 to 250 oF -40 to 120 oC |
| 潤滑方式 | 可再潤滑 |
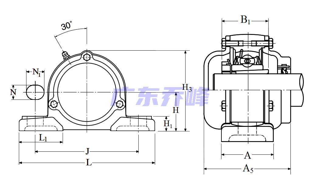
NTN CM-UKP305ED1 (when used with HE2305)軸承尺寸規格
| 軸承座,帶緊定襯套,鑄造防塵蓋,封閉端蓋,UKP型 - 尺寸 | |
| d | 0.7500 in 19.050 mm |
| J | 5.1875 in 132.0 mm |
| L | 6.8750 in 175.0 mm |
| A | 1.7812 in 45.0 mm |
| A5 | 3.1562 in 80.000 mm |
| H | 1.7656 in 45.0 mm |
| H1 | 0.5937 in 15.0 mm |
| H3 | 3.5938 in 91.0 mm |
| L1 | 2.1250 in 54.0 mm |
| N | 0.6562 in 17.0 mm |
| N1 | 0.7812 in 20.0 mm |
| B1 | 1.3780 in 35.000 mm |
| F | 0.1969 in 5.000 mm |
| 注意 | 銷售圖紙反映的是不帶緊定襯套的尺寸,實際上是帶的,因此需要注意。如不能很好把握,可直接致電020-81178086咨詢我們。 |
NTN CM-UKP305ED1 (when used with HE2305)軸承尺寸圖
NTN CM-UKP305ED1 (when used with HE2305)軸承同尺寸型號
| C-UKP305ED1 (when used with HE2305) | 詳細尺寸,d:19.050mm,j:132.000mm,bi:80.000mm,t:91.000mm,r:175.000mm |
| CM-UKP305ED1 (when used with HE2305) | 詳細尺寸,d:19.050mm,j:132.000mm,bi:80.000mm,t:91.000mm,r:175.000mm |
| 共計找到2條記錄 | |
NTN CM-UKP305ED1 (when used with HE2305)軸承相關配件/適用型號
| UK305D1 | 詳細尺寸,d:25.000mm,dD:62.000mm,c:20.000mm,b:26.000mm |
NTN軸承推薦
| NTN 62/28LLBN軸承 | 描述:軸承型號:62/28LLBN,單列深溝球軸承 - 雙面密封(非接觸式橡膠密封),帶止動環槽 |
| NTN 6207Z/L627軸承 | 描述:軸承型號:6207Z/L627,單列深溝球軸承 - 單面防塵蓋 |
| NTN 3312SC3軸承 | 描述:軸承型號:3312C3,雙列角接觸球軸承 - 開式 |
| NTN CH7013CVQ16J74軸承 | 描述:軸承型號:CH7013CVQ16J74,Triple Row Hybrid Angular Contact Ball Bearing,機床用,Q16系列 |
| NTN 7322BL1G軸承 | 描述:軸承型號:7322BL1G,單列角接觸球軸承 - 開式 |
| NTN 3321S軸承 | 描述:軸承型號:3321,圓錐滾子軸承外圈 - 英制系列和J系列 |
| NTN NUP317E軸承 | 描述:軸承型號:NUP317E,圓柱滾子軸承 -可分離型,短內圈帶一個加強筋,帶側板,外圈帶兩個加強筋 |
| NTN MR1214EAL軸承 | 描述:軸承型號:MR1214EAL,圓柱滾子軸承 -可分離型內圈帶一個加強筋,外圈帶兩個加強筋 |
| NTN KRV80XLL軸承 | 描述:軸承型號:KRV80XLL,凸輪從動螺柱式滾輪軸承 - 圓柱內徑,KRV..LL型 |
| NTN KRVU35軸承 | 描述:軸承型號:KRVU35,凸輪從動螺柱式滾輪軸承 - 球面外圈,KRVU型 |
進口軸承推薦
| FAG 6202-2Z-C3-L198-J22R軸承 | 描述:0.044 kg,單列深溝球軸承 |
| NSK 36DSF02CG53SA軸承 | 描述:0.276 kg, |
| SKF 209/LHT55軸承 | 描述:0.44 kg,單列深溝球軸承 |
| TIMKEN 23060KYMW507C08C3軸承 | 描述:72.3 kg,調心滾子軸承 |
| FAG HC6212-TB-P6-C3軸承 | 描述:0.783 kg, |
MCGILL軸承推薦
| MCGILL MCYR20SX軸承 | 基本尺寸,內徑:20.00000mm,外徑:47.00000mm,厚度:24.00000mm。 |
| MCGILL CYR2-1/4軸承 | 基本尺寸,內徑:15.88000mm,外徑:57.15000mm,厚度:31.75000mm。 |
| MCGILL BCFE1-1/4SB軸承 | 基本尺寸,內徑:0.00000mm,外徑:31.75000mm,厚度:19.05000mm。 |
| MCGILL BCCF5/8S軸承 | 基本尺寸,內徑:0.00000mm,外徑:15.88000mm,厚度:11.11000mm。 |
| MCGILL BCF2-1/4S軸承 | 基本尺寸,內徑:0.00000mm,外徑:57.15000mm,厚度:31.75000mm。 |

