EZO F6905ZZ軸承代號說明
E
Z
O
F
6
9
0
5
Z
Z
EZO :軸承品牌:EZO
F:法蘭凸緣型
6:深溝球軸承
9:尺寸系列:09系列
05:內徑:25 mm
ZZ:兩側帶鋼板防塵蓋
EZO :
軸承品牌:EZO
F:
法蘭凸緣型
6:
深溝球軸承
9:
尺寸系列:09系列
05:
內徑:25 mm
ZZ:
兩側帶鋼板防塵蓋
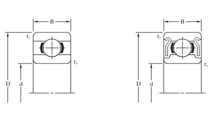
EZO F6905ZZ軸承尺寸、參數與圖紙
| 基本尺寸 (mm) | |
| 軸承內徑 d | 25 |
| 軸承外徑 D | 42 |
| 法蘭外徑 Df | 45 |
| 倒角半徑 rs(min) | 0.3 |
| 開式軸承厚度 B | 9 |
| 開式軸承法蘭厚度 Bf | 2 |
| 重量(g) | |
| 密封型 | 47 |
| 密封型帶法蘭 | 50.2 |
| 載荷(N) | |
| 基本動載荷 | 7001 |
| 基本靜載荷 | 4540 |
| 極限轉速(rpm) | |
| 脂潤滑 | 16000 |
| 油潤滑 | 19000 |
| 滾珠參數 | |
| 數量 Z | 13 |
| 尺寸 Dw | 4.762 |
微型軸承推薦
| NSK F681X-H-ZZMC3 NS7S6軸承 | 基本尺寸,內徑:1.00000mm,外徑:3.00000mm,厚度:1.00000mm。 |
| EZO 6801-2RS VA軸承 | 基本尺寸,內徑:12.00000mm,外徑:21.00000mm,厚度:5.00000mm。 |
| EZO S68/0.6軸承 | 基本尺寸,內徑:0.60000mm,外徑:2.50000mm,厚度:1.00000mm。 |
| NMB R-1030X6ZZATMNP5P13LY735軸承 | 基本尺寸,內徑:3.00000mm,外徑:10.00000mm,厚度:4.00000mm。 |
| NSK 684A-A-1T12DZZ1MC3 M PS2S5軸承 | 基本尺寸,內徑:4.00000mm,外徑:9.00000mm,厚度:2.50000mm。 |
FAG軸承推薦
| FAG NUP2211-E-XL-TVP2#E>A軸承 | FAG NUP2211-E-XL-TVP2#E>A軸承,市場價:¥205.59元,當前庫存30套,添加時間:2023-08-18 21:45:50 |
| FAG NN3020-D-TVP-SP-XL軸承 | FAG NN3020-D-TVP-SP-XL軸承,市場價:¥2610.91元,當前庫存3套,添加時間:2023-08-21 21:28:26 |
| FAG 7320-B-XL-TVP-UO軸承 | FAG 7320-B-XL-TVP-UO軸承,市場價:¥4074.32元,當前庫存13套,添加時間:2023-08-17 22:12:14 |
| FAG 6206-C-2HRS-FKM-S1-L069-C3#S54軸承 | FAG 6206-C-2HRS-FKM-S1-L069-C3#S54軸承,市場價:¥31.50元,當前庫存2套,添加時間:2023-08-15 16:14:02 |
| FAG 6308-2RSR-L138-C3軸承 | FAG 6308-2RSR-L138-C3軸承,市場價:¥42.09元,當前庫存29套,添加時間:2023-08-17 10:03:02 |
IKO軸承推薦
| IKO YT4015軸承 | 基本尺寸,內徑:40.00000mm,外徑:50.00000mm,厚度:15.00000mm。 |
| IKO TAMW5045軸承 | 基本尺寸,內徑:50.00000mm,外徑:62.00000mm,厚度:45.00000mm。 |
| IKO RNAFW8010060軸承 | 基本尺寸,內徑:80.00000mm,外徑:100.00000mm,厚度:60.00000mm。 |
| IKO RNAF607820軸承 | 基本尺寸,內徑:60.00000mm,外徑:78.00000mm,厚度:20.00000mm。 |
| IKO TAM7040軸承 | 基本尺寸,內徑:70.00000mm,外徑:82.00000mm,厚度:40.00000mm。 |

