NMB R-1030X6ZZATMNP5P13LY735軸承代號說明
N
M
B
R
-
1
0
3
0
X
6
Z
Z
A
T
M
N
P
5
P
1
3
L
Y
7
3
5
NMB :軸承品牌:NMB
R-:R 系列
10:公稱軸承外徑:10 mm
30:公稱軸承內徑:3 mm
X6:內部設計X6型
ZZA:兩側帶可拆卸鋼板防塵蓋
T:未知后綴
MN:玻璃纖維增強塑料保持架
P5:公差精度:JIS 5級
P13:游隙范圍:2.5μm 至 7.5μm
LY735:填充 LY735 潤滑脂
NMB :
軸承品牌:NMB
R-:
R 系列
10:
公稱軸承外徑:10 mm
30:
公稱軸承內徑:3 mm
X6:
內部設計X6型
ZZA:
兩側帶可拆卸鋼板防塵蓋
T:
未知后綴
MN:
玻璃纖維增強塑料保持架
P5:
公差精度:JIS 5級
P13:
游隙范圍:2.5μm 至 7.5μm
LY735:
填充 LY735 潤滑脂
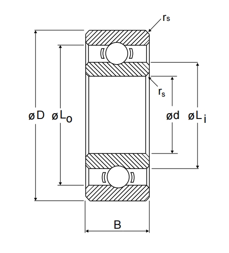
NMB R-1030X6ZZATMNP5P13LY735軸承尺寸、參數與圖紙
| 基本尺寸 (mm) | |
| 軸承內徑 d | 3 |
| 軸承外徑 D | 10 |
| 開式軸承厚度 B | 4 |
| 密封型軸承厚度 B | 4 |
| 倒角半徑 rs(min) | 0.15 |
| 基本尺寸 (in) | |
| 軸承內徑 d | 0.1181 |
| 軸承外徑 D | 0.3937 |
| 開式軸承厚度 B | 0.1575 |
| 密封型軸承厚度 B | 0.1575 |
| 倒角半徑 rs(min) | 0.006 |
| 安裝尺寸 (mm) | |
| 開式軸承外圈內徑 Lo | 8.2 |
| 開式軸承內圈外徑 Li | 5.08 |
| 密封式軸承外圈內徑 Lo | 8.2 |
| 密封式軸承內圈外徑 Li | 5.08 |
| 載荷(N) | |
| 基本動載荷 | 641 |
| 基本靜載荷 | 226 |
| 滾珠參數 | |
| 數量 Z | 7 |
| 直徑(mm) Dw | 1.5875 |
| 其他參數 | |
| ISO/JIS 標準代號 | 623 |
微型軸承推薦
| NMB L-1680HHRP0P25LY551軸承 | 基本尺寸,內徑:8.00000mm,外徑:16.00000mm,厚度:4.00000mm。 |
| NSK MR63T12ZZMC3 M PS2S5軸承 | 基本尺寸,內徑:3.00000mm,外徑:6.00000mm,厚度:2.00000mm。 |
| EZO F6903-2RS軸承 | 基本尺寸,內徑:17.00000mm,外徑:30.00000mm,厚度:7.00000mm。 |
| NMB L-1470HHMTRP5P24LY121軸承 | 基本尺寸,內徑:7.00000mm,外徑:14.00000mm,厚度:3.50000mm。 |
| NSK 628ZZMC3E PS2S6軸承 | 基本尺寸,內徑:8.00000mm,外徑:24.00000mm,厚度:8.00000mm。 |
FAG軸承推薦
| FAG 61940-MA軸承 | FAG 61940-MA軸承,市場價:¥6299.06元,當前庫存3套,添加時間:2023-08-17 15:31:31 |
| FAG 51334-MP軸承 | FAG 51334-MP軸承,市場價:¥6609.00元,當前庫存10套,添加時間:2024-01-23 16:00:57 |
| FAG 23124-E1A-XL-K-M-C4軸承 | FAG 23124-E1A-XL-K-M-C4軸承,市場價:¥3951.80元,當前庫存2套,添加時間:2023-08-20 13:29:37 |
| FAG 618/1000-MA軸承 | FAG 618/1000-MA軸承,市場價:¥71836.07元,當前庫存2套,添加時間:2023-08-17 12:49:23 |
| FAG 6210-H-2RSR-C3#N25軸承 | FAG 6210-H-2RSR-C3#N25軸承,市場價:¥33.60元,當前庫存50套,添加時間:2023-08-17 14:50:09 |
IKO軸承推薦
| IKO NATB5905軸承 | 基本尺寸,內徑:25.00000mm,外徑:42.00000mm,厚度:23.00000mm。 |
| IKO GE280ES軸承 | 基本尺寸,內徑:280.00000mm,外徑:400.00000mm,厚度:155.00000mm。 |
| IKO CFS5W軸承 | 基本尺寸,內徑:5.00000mm,外徑:10.00000mm,厚度:6.00000mm。 |
| IKO TAM2225軸承 | 基本尺寸,內徑:22.00000mm,外徑:29.00000mm,厚度:25.00000mm。 |
| IKO RNAF102012軸承 | 基本尺寸,內徑:10.00000mm,外徑:20.00000mm,厚度:12.00000mm。 |

