IKO AZ17028039軸承尺寸、參數與圖紙
| 基本尺寸 (mm) | |
| 軸徑 d | 170 |
| 內徑 d | 170 |
| 外徑 D | 280 |
| 厚度 T | 39 |
| dc | 170.1 |
| Dc | 279 |
| Dw | 15 |
| B | 12 |
| 標準安裝尺寸 (mm) | |
| rs min | 3 |
| Ci | 193 |
| Ce | 266 |
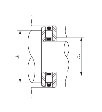
| da Min. | 265 |
| Da Max. | 194 |
| 重量(g) | |
| 推力軸承重量 | 11300 |
| 推力滾子和保持架組件重量 | 4020 |
| 內圈和外圈重量 | 3640 |
| 載荷(N) | |
| 動態基本額定載荷 | 3070000 |
| 其他參數 | |
| 極限轉速 /min | 1300 |
| 相關軸承型號 | |
| 推力滾子和保持架組件型號 | AZK17028015 |
| 內圈型號 | WS170280 |
| 外圈型號 | GS170280 |
IKO軸承推薦
| IKO AZ13018542P5軸承 | 基本尺寸,內徑:130.00000mm,外徑:185.00000mm,厚度:42.00000mm。 |
| IKO BAM148軸承 | 基本尺寸,內徑:22.22500mm,外徑:28.57500mm,厚度:12.70000mm。 |
| IKO NAXI1425Z軸承 | 基本尺寸,內徑:14.00000mm,外徑:30.00000mm,厚度:25.00000mm。 |
| IKO AZ15289軸承 | 基本尺寸,內徑:15.00000mm,外徑:28.00000mm,厚度:9.00000mm。 |
| IKO TLA1712Z軸承 | 基本尺寸,內徑:17.00000mm,外徑:23.00000mm,厚度:12.00000mm。 |
TIMKEN軸承推薦
| TIMKEN 55200/55437-B軸承 | TIMKEN 55200/55437-B軸承,市場價:¥2397.30元,當前庫存7套,添加時間:2023-09-15 15:01:48 |
| TIMKEN 15100/15250軸承 | TIMKEN 15100/15250軸承,市場價:¥169.14元,當前庫存67套,添加時間:2023-09-05 11:21:15 |
| TIMKEN 14117A/14277軸承 | TIMKEN 14117A/14277軸承,市場價:¥713.72元,當前庫存63套,添加時間:2023-09-14 21:27:49 |
| TIMKEN 71425/71751D軸承 | TIMKEN 71425/71751D軸承,市場價:¥3556.53元,當前庫存2套,添加時間:2023-09-15 17:00:42 |
| TIMKEN JH913848-99401軸承 | TIMKEN JH913848-99401軸承,市場價:¥1669.35元,當前庫存2套,添加時間:2023-09-12 21:01:53 |
NSK軸承推薦
| NSK 80TAC03DT85SUMPN5D Q軸承 | NSK 80TAC03DT85SUMPN5D Q軸承,市場價:¥1425.40元,當前庫存40套,添加時間:2023-08-31 13:15:56 |
| NSK 7004CTYDFC7P5軸承 | NSK 7004CTYDFC7P5軸承,市場價:¥1262.17元,當前庫存3套,添加時間:2023-08-28 21:00:35 |
| NSK 7914CTYNSULP4 S軸承 | NSK 7914CTYNSULP4 S軸承,市場價:¥991.20元,當前庫存136套,添加時間:2023-08-29 15:23:07 |
| NSK 35BNR19HTDBCA5P4軸承 | NSK 35BNR19HTDBCA5P4軸承,市場價:¥3150.00元,當前庫存4套,添加時間:2023-08-29 10:06:45 |
| NSK 30BER19STSUELP3軸承 | NSK 30BER19STSUELP3軸承,市場價:¥911.08元,當前庫存3套,添加時間:2023-08-28 21:31:17 |

