NTN 562012P4V2軸承代號說明
N
T
N
5
6
2
0
1
2
P
4
V
2
NTN :軸承品牌:NTN
562:雙向推力角接觸球軸承,接觸角 60°
0:尺寸系列:10系列
12:公稱內徑:60 mm
P4:ISO 4級精度
V2:特定其他后綴分組
NTN :
軸承品牌:NTN
562:
雙向推力角接觸球軸承,接觸角 60°
0:
尺寸系列:10系列
12:
公稱內徑:60 mm
P4:
ISO 4級精度
V2:
特定其他后綴分組
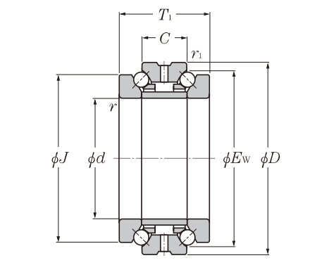
NTN 562012P4V2軸承尺寸、參數與圖紙
| 外形尺寸 (mm) | |
| 軸承內徑(小徑型) d | 60 |
| 軸承內徑(大徑型) d | 62 |
| 軸承外徑 D | 95 |
| 軸承總厚度 T1 | 44 |
| 軸承外圈厚度 C | 22 |
| 倒角半徑 rs.min | 1.1 |
| 倒角半徑 r1s.min | 0.6 |
| 參考尺寸 (mm) | |
| 外圈外徑 J | 83 |
| 滾珠圈外徑 Ew | 86.1 |
| 油槽寬度 Wo | 8 |
| 油孔直徑 do | 4 |
| 安裝相關尺寸 (mm) | |
| 內圈外徑 da.min | 72.5 |
| 外圈內徑 Db.max | 89 |
| 倒角半徑 ras.max | 1 |
| 倒角半徑 r1as.max | 0.6 |
| 基本額定載荷(kN) | |
| 額定動載荷 Ca | 37.5 |
| 額定靜載荷 Coa | 103 |
| 基本額定載荷(kgf) | |
| 額定動載荷 Ca | 3850 |
| 額定靜載荷 Coa | 10500 |
| 極限轉速(r/min) | |
| 脂潤滑 | 4900 |
| 油潤滑 | 6500 |
| 其他參數 | |
| 單列參考重量(小徑型) | 1.06 kg |
| 單列參考重量(大徑型) | 0.96 kg |
| 相關產品推薦 | |||
| 型號 | 市場價 | 喬峰價 | 庫存 |
| 562012/GNP4軸承 | ¥1228.5元 | 電話咨詢 | 1 |
| 562010/GNP4軸承 | ¥1433.25元 | 電話咨詢 | 3 |
| 562017/GNP5軸承 | ¥2184元 | 電話咨詢 | 2 |
| 562011/GNP4軸承 | ¥2406.38元 | 電話咨詢 | 1 |
| 562018/GNP4軸承 | ¥2866.5元 | 電話咨詢 | 5 |
| 562015/GNP4軸承 | ¥3003元 | 電話咨詢 | 3 |
| 562017/GNP4軸承 | ¥3276元 | 電話咨詢 | 3 |
| 562013/GNP4軸承 | ¥4095元 | 電話咨詢 | 1 |
| 562016/GNP4軸承 | ¥4231.5元 | 電話咨詢 | 2 |
角接觸球軸承推薦
| KOYO 7315DFC4軸承 | 基本尺寸,內徑:75.00000mm,外徑:160.00000mm,厚度:74.00000mm。 |
| SKF 71912ACD/P4ATBTG39VJ150軸承 | 基本尺寸,內徑:60.00000mm,外徑:85.00000mm,厚度:13.00000mm。 |
| NTN BNT008DTBT/GLP4軸承 | 基本尺寸,內徑:40.00000mm,外徑:68.00000mm,厚度:15.00000mm。 |
| GMN HYKH61904-2RZCTAP4+O=DUL T274/15-20%軸承 | 基本尺寸,內徑:20.00000mm,外徑:37.00000mm,厚度:9.00000mm。 |
| IBC 71926.E.T.2RSZ.P4A.X1.UL軸承 | 基本尺寸,內徑:130.00000mm,外徑:180.00000mm,厚度:24.00000mm。 |
FAG軸承推薦
| FAG 32032-X-XL軸承 | FAG 32032-X-XL軸承,市場價:¥763.82元,當前庫存426套,添加時間:2023-08-19 21:40:22 |
| FAG HCB7211-C-2RSD-T-P4S-UL軸承 | FAG HCB7211-C-2RSD-T-P4S-UL軸承,市場價:¥6838.12元,當前庫存3套,添加時間:2023-08-21 16:15:23 |
| FAG 32307-H軸承 | FAG 32307-H軸承,市場價:¥79.37元,當前庫存8套,添加時間:2023-08-19 14:47:30 |
| FAG NN3028-AS-M-SP軸承 | FAG NN3028-AS-M-SP軸承,市場價:¥8832.53元,當前庫存6套,添加時間:2023-08-21 21:47:54 |
| FAG SES520-617-L#E軸承 | FAG SES520-617-L#E軸承,市場價:¥1277.95元,當前庫存9套,添加時間:2023-08-22 13:06:16 |
IKO軸承推薦
| IKO TA3013Z軸承 | 基本尺寸,內徑:30.00000mm,外徑:40.00000mm,厚度:13.00000mm。 |
| IKO NAS5020ZZNR軸承 | 基本尺寸,內徑:100.00000mm,外徑:150.00000mm,厚度:67.00000mm。 |
| IKO CR8BUU軸承 | 基本尺寸,內徑:4.82600mm,外徑:12.70000mm,厚度:8.73100mm。 |
| IKO NAFW506840軸承 | 基本尺寸,內徑:50.00000mm,外徑:68.00000mm,厚度:40.00000mm。 |
| IKO BHA78ZOH軸承 | 基本尺寸,內徑:11.11200mm,外徑:17.46200mm,厚度:12.70000mm。 |

