NTN SM-UKT206D1 (when used with H2306X)軸承技術規格
| 類型 | 滑塊式軸承座 |
| 軸承類型 | 滾珠軸承 |
| 鎖緊裝置 | 緊定襯套 |
| 密封型式 | 接觸式 |
| 密封圈材質 | 丁腈橡膠 |
| 軸承型號 | UK206D1 |
| 軸承座型號 | T206D1 |
| 殼體材質 | 鑄鐵 |
| 性能 | 輕型 |
| 基本額定動載荷 | 4400 lbf 19500 N 19.50 kN |
| 基本額定靜載荷 | 2540 lbf 11300 N 11.30 kN |
| 重量 | 3.100 lb 1.300 kg |
| 應用溫度范圍 | -40 to 250 oF -40 to 120 oC |
| 潤滑方式 | 可再潤滑 |
NTN SM-UKT206D1 (when used with H2306X)軸承尺寸規格
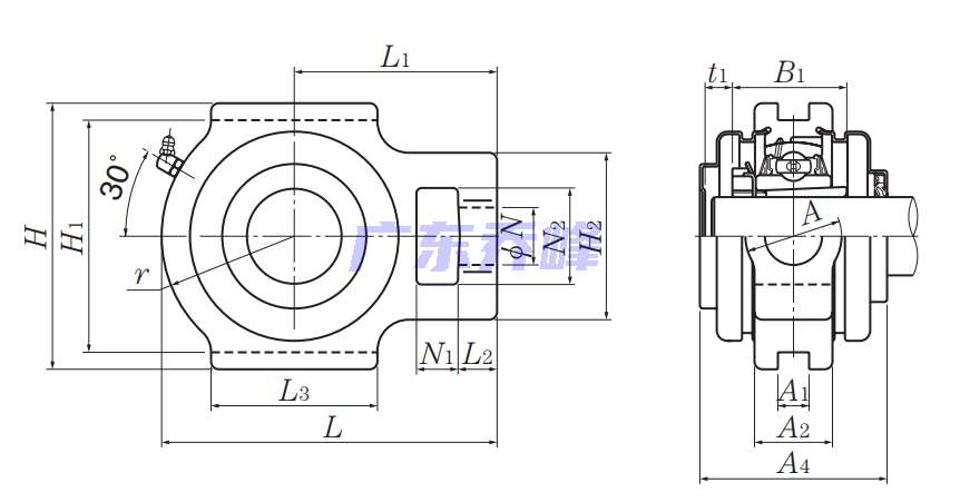
| 滑塊式軸承座,鑄造外殼,帶緊定襯套,壓制鋼防塵蓋,封閉端蓋,UKT型 - 尺寸 | |
| d | 0.9843 in 25.000 mm |
| L | 4.4375 in 113.0 mm |
| H | 4.0313 in 102.0 mm |
| A4 | 2.4375 in 62.000 mm |
| H1 | 3.5000 in 89.0 mm |
| H2 | 2.2187 in 56.0 mm |
| L1 | 2.7500 in 70.0 mm |
| L2 | 0.4687 in 12.0 mm |
| L3 | 2.2500 in 57.0 mm |
| N | 0.4724 in 12.0 mm |
| N1 | 0.8750 in 22.0 mm |
| N2 | 0.6250 in 16.0 mm |
| A | 1.4687 in 37.0 mm |
| A1 | 1.4687 in 37.0 mm |
| A2 | 1.0937 in 28.0 mm |
| r | 1.6875 in 43.0 mm |
| B1 | 1.4960 in 38.000 mm |
| F | 0.1811 in 4.600 mm |
| 注意 | 銷售圖紙反映的是不帶緊定襯套的尺寸,實際上是帶的,因此需要注意。如不能很好把握,可直接致電020-81178086咨詢我們。 |
NTN SM-UKT206D1 (when used with H2306X)軸承尺寸圖
NTN SM-UKT206D1 (when used with H2306X)軸承同尺寸型號
| SM-UCTX05D1 | 詳細尺寸,d:25.000mm,h:102.00000mm,be:62.000mm,r:113.000mm,r2max:89.000mm |
| S-UKT206D1 (when used with H2306X) | 詳細尺寸,d:25.000mm,h:102.00000mm,be:62.000mm,r:113.000mm,r2max:89.000mm |
| S-UCTX05D1 | 詳細尺寸,d:25.000mm,h:102.00000mm,be:62.000mm,r:113.000mm,r2max:89.000mm |
| SM-UKT206D1 (when used with H2306X) | 詳細尺寸,d:25.000mm,h:102.00000mm,be:62.000mm,r:113.000mm,r2max:89.000mm |
| 共計找到4條記錄 | |
NTN SM-UKT206D1 (when used with H2306X)軸承相關配件/適用型號
| UK206D1 | 詳細尺寸,d:30.000mm,dD:62.000mm,c:19.000mm,b:26.000mm |
NTN軸承推薦
| NTN 7018UC軸承 | 描述:軸承型號:7018UC,單列角接觸球軸承 - Ultage系列 |
| NTN MLE71906CVDUJ74S軸承 | 描述:軸承型號:MLE71906CVDUJ74S,密封雙聯角接觸球軸承,高精度 |
| NTN SUC207-23軸承 | 描述:軸承型號:SUC207-23,不銹鋼材質帶緊定螺釘的外球面軸承 - SUC/MUC |
| NTN 560S/553X軸承 | 描述:軸承型號:560S/553X,圓錐滾子軸承 - 英制系列和J系列 |
| NTN 3196軸承 | 描述:軸承型號:3196,圓錐滾子軸承內圈 - 英制系列和J系列 |
| NTN 432314軸承 | 描述:軸承型號:432314,雙列圓錐滾子軸承 |
| NTN MR1214軸承 | 描述:軸承型號:MR1214,內圈帶一個加強筋,不帶滾子 |
| NTN MA1314TX軸承 | 描述:軸承型號:MA1314TX,圓柱滾子軸承 -可分離型,普通內圈,外圈帶兩個擋圈 |
| NTN 1R32X40X36軸承 | 描述:軸承型號:1R32X40X36,內圈 |
| NTN WS81122軸承 | 描述:軸承型號:WS81122,推力滾子軸承內圈 |
進口軸承推薦
| FAG 6317M.P63軸承 | 描述:5.07 kg,單列深溝球軸承 |
| FAG 6004-2Z/HT3-SWC軸承 | 描述:0.066 kg,單列深溝球軸承 |
| TIMKEN 6010Z17軸承 | 描述:0.261 kg,單列深溝球軸承 |
| NSK 61832軸承 | 描述:1.45 kg,單列深溝球軸承 |
| FAG 6012-H-2RSR-SN軸承 | 描述:0.42 kg,單列深溝球軸承 |
MCGILL軸承推薦
| MCGILL RD28軸承 | 基本尺寸,內徑:3.50000mm,外徑:5.00000mm,厚度:3.00000mm。 |
| MCGILL GR20SS+MI16軸承 | 基本尺寸,內徑:1.25000mm,外徑:1.75000mm,厚度:1.25000mm。 |
| MCGILL CCFE3/4SB軸承 | 基本尺寸,內徑:0.00000mm,外徑:19.05000mm,厚度:12.70000mm。 |
| MCGILL ROLLWAY-NJ211EM軸承 | 基本尺寸,內徑:55.00000mm,外徑:100.00000mm,厚度:21.00000mm。 |
| MCGILL ROLLWAY-N316EMC3軸承 | 基本尺寸,內徑:80.00000mm,外徑:170.00000mm,厚度:39.00000mm。 |

