NTN NUKRU80軸承技術規格
| 類型 | 凸輪從動軸承 |
| 材質 | 淬透鋼 |
| 螺紋類型 | 公制 |
| 保持架材質 | 無 |
| 極限轉速-脂潤滑 | 2100轉/分鐘 |
| 滾子型式 | 凸度滾子 |
| 螺柱類型 | 偏心 |
| 軸承類型 | 滾針軸承 |
| 外圈類型 | 球面 |
| 附件 | 防塵蓋 |
| 驅動裝置型式 | 插入式 |
| 結構 | 單列 |
| 扭矩 | 360.0 N ·m |
| 基本額定靜載荷 | 34000 lbf 151000 N |
| 基本額定動載荷 | 22700 lbf 101000 N |
| 軌道額定載荷 | 2200 lbf 9800 N |
| 重量 | 3.395 lb 1.540 kg |
| 應用溫度范圍 | -40 to 250 oF -40 to 120 oC |
NTN NUKRU80軸承尺寸規格
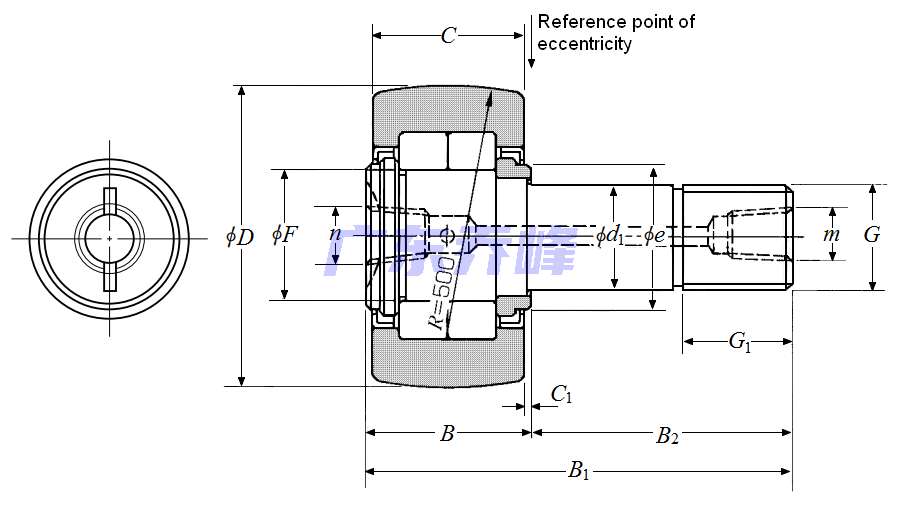
| 凸輪從動螺柱式滾輪軸承 - 球面外圈,NUKRU型 - 尺寸 | |
| G | M30x1.5 |
| B1 | 3.9370 in 100.000 mm |
| B2 | 2.4803 in 63.000 mm |
| D | 3.1496 in 80.000 mm |
| D公差 | 0/-0.0020 in 0/-0.050 mm |
| B | 1.4567 in 37.000 mm |
| C | 1.3780 in 35.000 mm |
| d1 | 1.1811 in 30.000 mm |
| d1公差 | 0/-0.0008 in 0/-0.021 mm |
| G1 | 1.2598 in 32.000 mm |
| e | 2.0079 in 51.000 mm |
| F | 1.8701 in 47.500 mm |
| C1 | 0.0394 in 1.000 mm |
| n | PT1/8 |
| m | PT1/8 |
| 注油嘴尺寸 | A-PT1/8 |
NTN NUKRU80軸承尺寸圖
NTN軸承推薦
| NTN 6921NC3軸承 | 描述:軸承型號:6921NC3,單列深溝球軸承 - 開式,帶止動環槽 |
| NTN 6332軸承 | 描述:軸承型號:6332,單列深溝球軸承 - 開式 |
| NTN 593A/592軸承 | 描述:軸承型號:593A/592,圓錐滾子軸承 - 英制系列和J系列 |
| NTN NNU4921軸承 | 描述:軸承型號:NNU4921,雙列圓柱滾子軸承 - 圓柱孔 - NN型U |
| NTN 4R3823軸承 | 描述:軸承型號:4R3823,四列圓柱滾子軸承帶實心滾子&機加工保持架 |
| NTN M5209UL軸承 | 描述:軸承型號:M5209UL,帶保持架和滾子的外圈,一邊帶加強筋&一邊帶擋圈 |
| NTN MSN1310EL軸承 | 描述:軸承型號:MSN1310EL,圓柱滾子軸承 -可分離型,短內圈帶一個加強筋,外圈帶兩個加強筋 |
| NTN RNA2200LL軸承 | 描述:軸承型號:RNA2200LL,擋圈型滾輪軸承不帶內圈 - 雙面密封,球面外圈 |
| NTN 22236EMKD1C3軸承 | 描述:軸承型號:22236EMKW33C3,調心滾子軸承,帶圓錐孔&注油槽 |
| NTN 23236EMKD1C3軸承 | 描述:軸承型號:23236EMKW33C3,調心滾子軸承,帶圓錐孔&注油槽 |
進口軸承推薦
| SKF 608-2Z/C3LHT23軸承 | 描述:0.012 kg,單列深溝球軸承 |
| TIMKEN 2MV9104WICRSUL軸承 | 描述:0.065 kg, 單列角接觸球軸承 |
| FAG 6207ZR.C3軸承 | 描述:0.291 kg,單列深溝球軸承 |
| FAG 6007N.MA.C3軸承 | 描述:0.185 kg,單列深溝球軸承 |
| INA CSCF100-HLE軸承 | 描述:1.751 kg,單列深溝球軸承 |
MCGILL軸承推薦
| MCGILL CCF10SB軸承 | 基本尺寸,內徑:0.00000mm,外徑:254.00000mm,厚度:133.35000mm。 |
| MCGILL GR12+MI8軸承 | 基本尺寸,內徑:0.75000mm,外徑:1.25000mm,厚度:1.00000mm。 |
| MCGILL CFH3SB軸承 | 基本尺寸,內徑:0.00000mm,外徑:76.20000mm,厚度:44.45000mm。 |
| MCGILL MCFD40軸承 | 基本尺寸,內徑:0.00000mm,外徑:40.00000mm,厚度:20.00000mm。 |
| MCGILL SB22315W33SS軸承 | 基本尺寸,內徑:75.00000mm,外徑:160.00000mm,厚度:55.00000mm。 |

