NTN NUKRT80X軸承技術規格
| 類型 | 凸輪從動軸承 |
| 材質 | 淬透鋼 |
| 螺紋類型 | 公制 |
| 保持架材質 | 無 |
| 極限轉速-脂潤滑 | 2100轉/分鐘 |
| 滾子型式 | 圓柱型 |
| 螺柱類型 | 公制 |
| 軸承類型 | 滾針軸承 |
| 外圈類型 | 圓柱型 |
| 附件 | 防塵蓋 |
| 驅動裝置型式 | 插入式 |
| 結構 | 單列 |
| 扭矩 | 360.0 N ·m |
| 基本額定靜載荷 | 34000 lbf 151000 N |
| 基本額定動載荷 | 22700 lbf 101000 N |
| 軌道額定載荷 | 11900 lbf 53000 N |
| 重量 | 3.395 lb 1.540 kg |
| 應用溫度范圍 | -40 to 250 oF -40 to 120 oC |
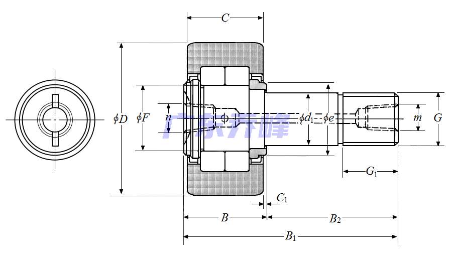
NTN NUKRT80X軸承尺寸規格
| 凸輪從動螺柱式滾輪軸承 - 圓柱內徑,NUKRT型 - 尺寸 | |
| G | M30x1.5 |
| B1 | 3.9370 in 100.000 mm |
| B2 | 2.4803 in 63.000 mm |
| D | 3.1496 in 80.000 mm |
| D公差 | 0/-0.0020 in 0/-0.050 mm |
| B | 1.4567 in 37.000 mm |
| C | 1.3780 in 35.000 mm |
| d1 | 1.1811 in 30.000 mm |
| d1公差 | 0/-0.0008 in 0/-0.021 mm |
| G1 | 1.2598 in 32.000 mm |
| e | 2.0079 in 51.000 mm |
| F | 1.8701 in 47.500 mm |
| C1 | 0.0394 in 1.000 mm |
| n | PT1/8 |
| m | PT1/8 |
| 注油嘴尺寸 | A-PT1/8 |
NTN NUKRT80X軸承尺寸圖
NTN軸承推薦
| NTN 608ZZC3/EM軸承 | 描述:軸承型號:608ZZC3/EM,單列深溝球軸承 - 雙面防塵蓋 |
| NTN 6319LLUC3軸承 | 描述:軸承型號:6319LLUC3,單列深溝球軸承 - 雙面密封(接觸式橡膠密封) |
| NTN 2203S軸承 | 描述:軸承型號:2203,自調心球軸承 - 圓柱孔 |
| NTN ML7020HVUJ74S軸承 | 描述:軸承型號:ML7020HVUJ74S,高速單列角接觸球軸承 - 高精度 |
| NTN UC306D1軸承 | 描述:軸承型號:UC306D1,帶緊定螺釘的外球面軸承,寬外圈 - 球面外圈 |
| NTN REL211軸承 | 描述:軸承型號:REL211,帶偏心鎖緊套的外球面軸承,寬外圈 - 球面外圈 |
| NTN DS209TTR6JA軸承 | 描述:軸承型號:DS209TTR6JA,重型盤式軸承 - 球面外圈,4系列 |
| NTN 32010XP6X-G軸承 | 描述:軸承型號:32010XP6X-G,圓錐滾子軸承內圈 - 公制系列 |
| NTN M1205EV軸承 | 描述:軸承型號:M1205EV,帶保持架和滾子的外圈,兩個加強筋 |
| NTN MR1216軸承 | 描述:軸承型號:MR1216,內圈帶一個加強筋,不帶滾子 |
進口軸承推薦
| SKF 6305TN9/C3D8軸承 | 描述:0.225 kg,單列深溝球軸承 |
| INA CSCG200-HLE軸承 | 描述:8.528 kg,單列深溝球軸承 |
| KOYO 22309RHKW33C3軸承 | 描述:1.3 kg,調心滾子軸承 |
| TORRINGTON 6204ZZ軸承 | 描述:0.107 kg,單列深溝球軸承 |
| NKE 22314-E-K-W33軸承 | 描述:4 kg, |
MCGILL軸承推薦
| MCGILL CFE9/16軸承 | 基本尺寸,內徑:0.00000mm,外徑:14.29000mm,厚度:9.53000mm。 |
| MCGILL BCCF3-1/4SB軸承 | 基本尺寸,內徑:0.00000mm,外徑:82.55000mm,厚度:44.45000mm。 |
| MCGILL MCYRD15軸承 | 基本尺寸,內徑:15.00000mm,外徑:35.00000mm,厚度:18.00000mm。 |
| MCGILL ROLLWAY-NUP2312EM軸承 | 基本尺寸,內徑:60.00000mm,外徑:130.00000mm,厚度:46.00000mm。 |
| MCGILL CCFE5/8SB軸承 | 基本尺寸,內徑:0.00000mm,外徑:15.88000mm,厚度:11.11000mm。 |

