NTN DC214TTR2軸承技術規格
| 類型 | 重型盤式軸承 |
| 內孔型式 | 圓柱孔 |
| 外圈類型 | 圓柱型 |
| 材質 | 淬透鋼 |
| 保持架型式 | 壓制 |
| 保持架材質 | 鋼 |
| 滾珠材質 | 鋼 |
| 密封型式 | 接觸式 |
| 密封圈材質 | 丁腈橡膠 |
| 精度 | Class 0 |
| 結構 | 單列 |
| 潤滑方式 | 重新潤滑 |
| 徑向游隙 | CN |
| 基本額定靜載荷 | 9900 lbf 44000 N 44.00 kN |
| 基本額定動載荷 | 14000 lbf 62000 N 62.00 kN |
| 附件 | 雙面密封 |
| 重量 | 3.682 lb 1.670 kg |
| 應用溫度范圍 | -40 to 250 oF -40 to 120 oC |
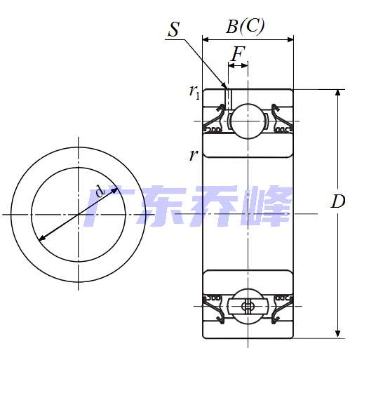
NTN DC214TTR2軸承尺寸規格
| 重型盤式軸承 - 圓柱內徑,7系列 - 尺寸 | |
| d | 2.7559 in 70.000 mm |
| D | 4.9213 in 125.000 mm |
| C | 1.5626 in 39.690 mm |
| B | 1.5626 in 39.690 mm |
| r | 0.0591 in 1.500 mm |
| F | 0.3642 in 9.250 mm |
| 軸徑 | 2.7553 in 69.985 mm |
NTN DC214TTR2軸承尺寸圖
NTN軸承推薦
| NTN 6003LBC3軸承 | 描述:軸承型號:6003LBC3,單列深溝球軸承 - 單面密封(非接觸式橡膠密封) |
| NTN 6309LBNRC3軸承 | 描述:軸承型號:6309LBNRC3,單列深溝球軸承 - 單面密封(非接觸式橡膠密封)帶止動環 |
| NTN CH7202HG1DUJ74軸承 | 描述:軸承型號:CH7202HG1DUJ74,雙列混合陶瓷角接觸球軸承,高精度 - 萬能平頂軸承 |
| NTN BST45X75-1B軸承 | 描述:軸承型號:BST45X75-1B,滾珠絲杠用單列角接觸推力球軸承 - 開式 |
| NTN 7222C軸承 | 描述:軸承型號:7222C,單列角接觸球軸承 - 開式 |
| NTN 51208C3軸承 | 描述:軸承型號:51208C3,單向推力球軸承 |
| NTN 15101軸承 | 描述:軸承型號:15101,圓錐滾子軸承內圈 - 英制系列和J系列 |
| NTN 66212軸承 | 描述:軸承型號:66212,圓錐滾子軸承內圈 - 英制系列和J系列 |
| NTN 33015U軸承 | 描述:軸承型號:33015,圓錐滾子軸承 - 公制系列 |
| NTN NUP328軸承 | 描述:軸承型號:NUP328,圓柱滾子軸承 -可分離型,短內圈帶一個加強筋,帶側板,外圈帶兩個加強筋 |
進口軸承推薦
| NSK 6013DDU C3 E軸承 | 描述:0.447 kg,單列深溝球軸承 |
| FAG 21308-E1-XL-K-TVPB軸承 | 描述:0.706 kg,調心滾子軸承(X-life品質) |
| NTN 24152BD1軸承 | 描述:112 kg,調心滾子軸承 |
| RHP 22313W33軸承 | 描述:3.41 kg,調心滾子軸承 |
| FAG 635-2RSR-HLC軸承 | 描述:0.008 kg,單列深溝球軸承 |
MCGILL軸承推薦
| MCGILL GR40+MI34軸承 | 基本尺寸,內徑:2.50000mm,外徑:3.25000mm,厚度:1.75000mm。 |
| MCGILL MCYRR-6-S-W軸承 | 基本尺寸,內徑:6.00000mm,外徑:19.00000mm,厚度:11.00000mm。 |
| MCGILL CCFH3/4SB軸承 | 基本尺寸,內徑:0.00000mm,外徑:19.05000mm,厚度:12.70000mm。 |
| MCGILL ROLLWAY-E5215B軸承 | 基本尺寸,內徑:75.00000mm,外徑:130.00000mm,厚度:41.30000mm。 |
| MCGILL ROLLWAY-NU214EM軸承 | 基本尺寸,內徑:70.00000mm,外徑:125.00000mm,厚度:24.00000mm。 |

