NTN CR20XH軸承技術規格
| 類型 | 凸輪從動軸承 |
| 材質 | 淬透鋼 |
| 螺紋類型 | 英制 |
| 保持架材質 | 穿孔鋼板 |
| 極限轉速-油潤滑 | 13000轉/分鐘 |
| 極限轉速-脂潤滑 | 9000轉/分鐘 |
| 滾子型式 | 圓柱型 |
| 軸承類型 | 滾針軸承 |
| 外圈類型 | 圓柱型 |
| 附件 | 開式 |
| 驅動裝置型式 | 六角頭 |
| 結構 | 單列 |
| 扭矩 | 5.5 lb ·ft24 N ·m |
| 基本額定靜載荷 | 261 lbf 1160 N |
| 基本額定動載荷 | 2560 lbf 11400 N |
| 重量 | 0.331 lb 0.150 kg |
| 應用溫度范圍 | -40 to 250 oF -40 to 120 oC |
NTN CR20XH軸承尺寸規格
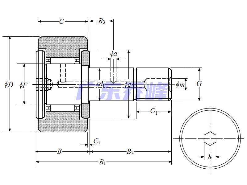
| 凸輪從動螺柱式滾輪軸承 - 圓柱外徑,CR..H型 - 尺寸 | |
| G | 1/2-20UNF |
| B1 | 2.0630 in 52.400 mm |
| B2 | 1.2520 in 31.800 mm |
| D | 1.2500 in 31.750 mm |
| D公差 | 0/-0.0020 in 0/-0.050 mm |
| B | 0.8110 in 20.600 mm |
| C | 0.7500 in 19.050 mm |
| C公差 | 0/-0.0051 in 0/-0.130 mm |
| d1 | 0.5000 in 12.700 mm |
| d1公差 | 0.0010/0 in 0.025/0 mm |
| G1 | 0.6260 in 15.900 mm |
| e | 0.9843 in 25.000 mm |
| B3 | 0.3126 in 7.940 mm |
| a | 0.1181 in 3.000 mm |
| F | 0.6299 in 16.000 mm |
| C1 | 0.0315 in 0.800 mm |
| h | 0.2500 in 6.350 mm |
| m | 0.2362 in 6.000 mm |
| 注油嘴尺寸 | NIP-B6 |
NTN CR20XH軸承尺寸圖
NTN軸承推薦
| NTN 6305LBC3軸承 | 描述:軸承型號:6305LBC3,單列深溝球軸承 - 單面密封(非接觸式橡膠密封) |
| NTN 6906Z軸承 | 描述:軸承型號:6906Z,單列深溝球軸承 - 單面防塵蓋 |
| NTN 6006LLBNR軸承 | 描述:軸承型號:6006LLBNR,單列深溝球軸承 - 雙面密封(非接觸式橡膠密封)帶止動環 |
| NTN 6206LLBC3/EM軸承 | 描述:軸承型號:6206LLBC3/EM,單列深溝球軸承 - 雙面密封(非接觸式橡膠密封) |
| NTN BL213NR軸承 | 描述:軸承型號:BL213NR,單列深溝球軸承 - 開式帶止動環,BL系列 |
| NTN 6220ZZP5軸承 | 描述:軸承型號:6220ZZP5,單列深溝球軸承 - 雙面防塵蓋 |
| NTN M5220UV軸承 | 描述:軸承型號:M5220UV,帶保持架和滾子的外圈,一邊帶加強筋&一邊帶擋圈 |
| NTN MR1215TV軸承 | 描述:軸承型號:MR1215TV,圓柱滾子軸承 -可分離型內圈帶一個加強筋,外圈帶兩個擋圈 |
| NTN MR1315EL軸承 | 描述:軸承型號:MR1315EL,圓柱滾子軸承 -可分離型內圈帶一個加強筋,外圈帶兩個加強筋 |
| NTN MSN1211EV軸承 | 描述:軸承型號:MSN1211EV,圓柱滾子軸承 -可分離型,短內圈帶一個加強筋,外圈帶兩個加強筋 |
進口軸承推薦
| FAG 22344M軸承 | 描述:120 kg,調心滾子軸承 |
| FAG 22336-BE-XL-K-C3軸承 | 描述:69.4 kg,調心滾子軸承(X-life品質) |
| FAG 6304M軸承 | 描述:0.168 kg,單列深溝球軸承 |
| FAG 22332-BE-XL-C3軸承 | 描述:52.7 kg,調心滾子軸承(X-life品質) |
| NACHI 24064EW33C3MY軸承 | 描述:100 kg,調心滾子軸承 |
MCGILL軸承推薦
| MCGILL MR96+MI80軸承 | 基本尺寸,內徑:6.00000mm,外徑:7.50000mm,厚度:3.00000mm。 |
| MCGILL MCFR-40A-S-TMS1軸承 | 基本尺寸,內徑:0.00000mm,外徑:40.00000mm,厚度:20.00000mm。 |
| MCGILL BCYR1-3/8S軸承 | 基本尺寸,內徑:9.53000mm,外徑:34.93000mm,厚度:19.05000mm。 |
| MCGILL MCF40SB軸承 | 基本尺寸,內徑:0.00000mm,外徑:40.00000mm,厚度:20.00000mm。 |
| MCGILL CCYR6S軸承 | 基本尺寸,內徑:57.15000mm,外徑:152.40000mm,厚度:82.55000mm。 |

