NTN C-UKTX11D1 (when used with H2311X)軸承技術規格
| 類型 | 滑塊式軸承座 |
| 軸承類型 | 滾珠軸承 |
| 密封型式 | 接觸式 |
| 密封圈材質 | 丁腈橡膠 |
| 鎖緊裝置 | 緊定襯套 |
| 軸承型號 | UKX11D1 |
| 殼體材質 | 鑄鐵 |
| 軸承座型號 | TX11D1 |
| 性能 | 中型 |
| 基本額定動載荷 | 11800 lbf 52500 N 52.50 kN |
| 基本額定靜載荷 | 8100 lbf 36000 N 36.00 kN |
| 重量 | 15.000 lb 6.600 kg |
| 應用溫度范圍 | -40 to 250 oF -40 to 120 oC |
| 潤滑方式 | 可再潤滑 |
NTN C-UKTX11D1 (when used with H2311X)軸承尺寸規格
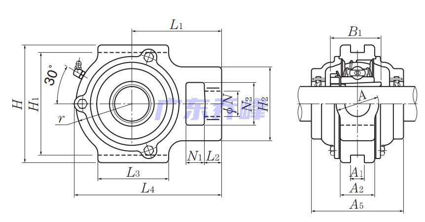
| 滑塊式軸承座,鑄造外殼,帶緊定襯套,鑄造防塵蓋,開式端蓋,UKT型 - 尺寸 | |
| d | 1.9685 in 50.000 mm |
| L | 7.6250 in 194.0 mm |
| H | 5.7500 in 146.0 mm |
| A5 | 4.5312 in 115.000 mm |
| H1 | 5.1250 in 130.0 mm |
| H2 | 4.0313 in 102.0 mm |
| L1 | 4.6875 in 119.0 mm |
| L2 | 0.8125 in 21.0 mm |
| L3 | 4.0313 in 102.0 mm |
| N | 1.3750 in 35.0 mm |
| N1 | 1.2500 in 32.0 mm |
| N2 | 2.5312 in 64.0 mm |
| A | 2.5312 in 64.0 mm |
| A1 | 0.8660 in 22.0 mm |
| A2 | 1.7187 in 44.0 mm |
| r | 2.9375 in 75.0 mm |
| B1 | 2.4410 in 59.000 mm |
| F | 0.2441 in 6.200 mm |
| 注意 | 銷售圖紙反映的是不帶緊定襯套的尺寸,實際上是帶的,因此需要注意。如不能很好把握,可直接致電020-81178086咨詢我們。 |
NTN C-UKTX11D1 (when used with H2311X)軸承尺寸圖
NTN C-UKTX11D1 (when used with H2311X)軸承同尺寸型號
| CM-UKTX11D1 (when used with H2311X) | 詳細尺寸,d:50.000mm,h:146.00000mm,bi:115.000mm,r:194.000mm,r2max:130.000mm |
| C-UKTX11D1 (when used with H2311X) | 詳細尺寸,d:50.000mm,h:146.00000mm,bi:115.000mm,r:194.000mm,r2max:130.000mm |
| 共計找到2條記錄 | |
NTN C-UKTX11D1 (when used with H2311X)軸承相關配件/適用型號
| UKX11D1 | 詳細尺寸,d:55.000mm,dD:110.000mm,c:27.000mm,b:38.000mm |
NTN軸承推薦
| NTN 6305LH軸承 | 描述:軸承型號:6305LH,單列深溝球軸承 - 單面密封(輕接觸橡膠密封) |
| NTN 6006LHNC3軸承 | 描述:軸承型號:6006LHNC3,單列深溝球軸承 - 單面密封(輕接觸橡膠密封)帶止動環槽 |
| NTN 6012LUNRC3軸承 | 描述:軸承型號:6012LUNRC3,單列深溝球軸承 - 單面密封(接觸式橡膠密封)帶止動環 |
| NTN BNT912軸承 | 描述:軸承型號:BNT912,電機和車床用單列角接觸球軸承 |
| NTN 2LA-BNS910ADLLB軸承 | 描述:軸承型號:2LA-BNS910ADLLB,密封高速角接觸球軸承 - BNS Ultage系列 |
| NTN 52375軸承 | 描述:軸承型號:52375,圓錐滾子軸承內圈 - 英制系列和J系列 |
| NTN M5213EL軸承 | 描述:軸承型號:M5213EL,帶保持架和滾子的外圈,兩個加強筋 |
| NTN BK1214L軸承 | 描述:軸承型號:BK1214L,沖壓外圈滾針軸承 - BK型,單面密封 |
| NTN 1R40X45X20軸承 | 描述:軸承型號:1R40X45X20,內圈 |
| NTN RNA6902R軸承 | 描述:軸承型號:RNA6902R,機加工滾針軸承不帶內圈 - RNA49.R,RNA59,RNA69.R,NK.R,MR系列 |
進口軸承推薦
| ROLLWAY 22228KCAW33C3軸承 | 描述:14 kg,調心滾子軸承 |
| RHP RMS26軸承 | 描述:5 kg,單列深溝球軸承 |
| NTN 6310LLU C3/L407軸承 | 描述:1.103 kg,單列深溝球軸承 |
| SKF 7318B軸承 | 描述:4.975 kg,單列角接觸球軸承 |
| NSK 6005CMD軸承 | 描述:0.079 kg,單列深溝球軸承 |
MCGILL軸承推薦
| MCGILL CF5S軸承 | 基本尺寸,內徑:0.00000mm,外徑:5.00000mm,厚度:69.85000mm。 |
| MCGILL BCF1-3/4S軸承 | 基本尺寸,內徑:0.00000mm,外徑:44.45000mm,厚度:25.40000mm。 |
| MCGILL MR104+MI88軸承 | 基本尺寸,內徑:6.50000mm,外徑:8.00000mm,厚度:3.00000mm。 |
| MCGILL GR88N+MI72N軸承 | 基本尺寸,內徑:5.50000mm,外徑:7.00000mm,厚度:2.50000mm。 |
| MCGILL GR148+MI128軸承 | 基本尺寸,內徑:9.25000mm,外徑:11.12500mm,厚度:3.00000mm。 |

