NTN ASPF208-109軸承技術規格
| 類型 | 四螺栓法蘭式軸承座 |
| 軸承類型 | 滾珠軸承 |
| 鎖緊裝置 | 緊定螺釘 |
| 密封型式 | 接觸式 |
| 密封圈材質 | 丁腈橡膠 |
| 軸承型號 | AS208-109 |
| 軸承座型號 | PF208 |
| 殼體材質 | 鋼 |
| 殼體鑄造型式 | 兩片接合式 |
| 注油孔數 | 4 |
| 端蓋類型 | 開式 |
| 性能 | 輕型 |
| 基本額定動載荷 | 6550 lbf 29100 N 29.10 kN |
| 基本額定靜載荷 | 4000 lbf 17800 N 17.80 kN |
| 極限轉速 | 3700轉/分鐘 |
| 重量 | 2.000 lb 0.900 kg |
| 應用溫度范圍 | -40 to 250 oF -40 to 120 oC |
| 潤滑方式 | 不可再潤滑 |
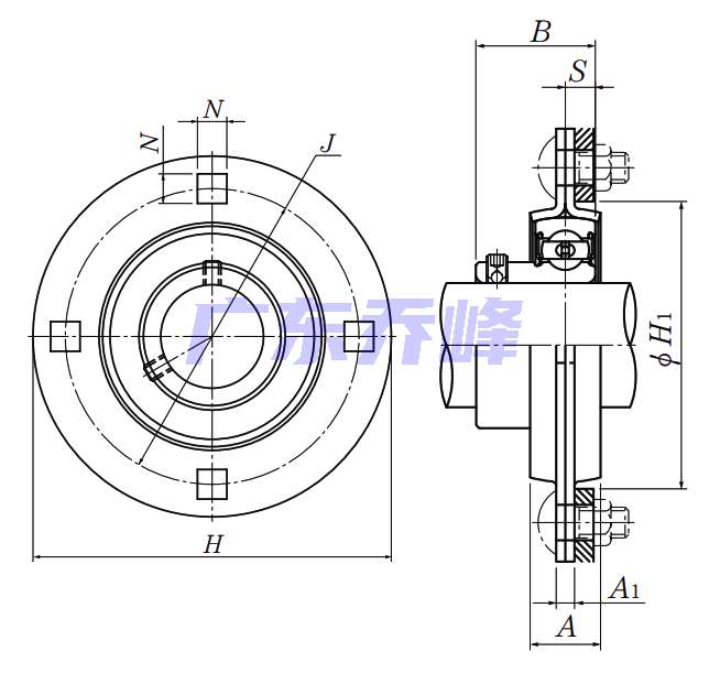
NTN ASPF208-109軸承尺寸規格
| 四螺栓圓形法蘭式軸承座,沖壓鋼外殼,帶緊定螺釘,ASPF型 - 尺寸 | |
| d | 1.5625 in 39.688 mm |
| H | 5.8125 in 148.0 mm |
| J | 4.6875 in 119.0 mm |
| A | 0.8125 in 21.0 mm |
| A1 | 0.2680 in 6.8 mm |
| N | 0.5312 in 13.5 mm |
| B | 1.4961 in 38.000 mm |
| S | 0.3543 in 9.000 mm |
| H1 | 3.5781 in 91.0 mm |
NTN ASPF208-109軸承尺寸圖
NTN ASPF208-109軸承同尺寸型號
| ASPF208-109 | 詳細尺寸,d:39.688mm,c:6.800mm,b:21.000mm,j:119.000mm,r:148.000mm |
| JELPF208-109 | 詳細尺寸,d:39.688mm,c:6.800mm,b:21.000mm,j:119.000mm,r:148.000mm |
| 共計找到2條記錄 | |
NTN ASPF208-109軸承相關配件/適用型號
| AS208-109 | 詳細尺寸,d:39.688mm,dD:80.000mm,c:18.000mm,b:38.000mm,r:1.500mm |
NTN軸承推薦
| NTN 63203LLUC3軸承 | 描述:軸承型號:63203LLUC3,單列深溝球軸承 - 雙面密封(接觸式橡膠密封) |
| NTN 6321LLUNR軸承 | 描述:軸承型號:6321LLUNR,單列深溝球軸承 - 雙面密封(接觸式橡膠密封)帶止動環 |
| NTN 7000UC軸承 | 描述:軸承型號:7000UC,單列角接觸球軸承 - Ultage系列 |
| NTN 7215CG1軸承 | 描述:軸承型號:7215CG1,單列角接觸球軸承,高精度 |
| NTN 15103S/15243軸承 | 描述:軸承型號:15103S/15243,圓錐滾子軸承 - 英制系列和J系列 |
| NTN 90381/90744DB#01軸承 | 描述:軸承型號:90381/90744DB#01,圓錐滾子軸承 - 英制系列和J系列 |
| NTN 385A軸承 | 描述:軸承型號:385A,圓錐滾子軸承內圈 - 英制系列和J系列 |
| NTN N1052軸承 | 描述:軸承型號:N1052,圓柱滾子軸承 -內圈帶兩個加強筋,可分離型,普通外圈 - N型 |
| NTN HK0408軸承 | 描述:軸承型號:HK0408,沖壓外圈滾針軸承 - HK,HMK型 |
| NTN HK4020軸承 | 描述:軸承型號:HK4020,沖壓外圈滾針軸承 - HK,HMK型 |
進口軸承推薦
| SKF 608-RSH/LHT23軸承 | 描述:0.0112 kg,單列深溝球軸承 |
| NSK 686DD MC3軸承 | 描述:0.0018 kg,單列深溝球軸承 |
| NSK 7216A5TRSUMP3軸承 | 描述:1.45 kg |
| NKE 22326-M-W33軸承 | 描述:27.1 kg, |
| TIMKEN 6013-ZZ-C3軸承 | 描述:0.445 kg,單列深溝球軸承 |
MCGILL軸承推薦
| MCGILL BCF1/2SB軸承 | 基本尺寸,內徑:0.00000mm,外徑:12.70000mm,厚度:953.00000mm。 |
| MCGILL GR36N+MI28N軸承 | 基本尺寸,內徑:2.25000mm,外徑:3.00000mm,厚度:1.50000mm。 |
| MCGILL MR88+MI72軸承 | 基本尺寸,內徑:5.50000mm,外徑:7.00000mm,厚度:3.00000mm。 |
| MCGILL FCF5軸承 | 基本尺寸,內徑:0.00000mm,外徑:5.00000mm,厚度:3.00000mm。 |
| MCGILL CCF1/2SB軸承 | 基本尺寸,內徑:0.00000mm,外徑:12.70000mm,厚度:9.53000mm。 |

