NTN ARPL-1軸承技術規格
| 類型 | 軸承座 |
| 軸承類型 | 滾珠軸承 |
| 鎖緊裝置 | 緊定螺釘 |
| 密封型式 | 接觸式 |
| 密封圈材質 | 丁腈橡膠 |
| 軸承型號 | A-AR205-100D1 |
| 軸承座型號 | PL205D1V50 |
| 殼體材質 | 鑄鐵 |
| 殼體鑄造型式 | 一體成型 |
| 端蓋類型 | 開式 |
| 表面涂層 | 黑色氧化物 |
| 性能 | 輕型 |
| 基本額定動載荷 | 3150 lbf 14000 N 14.00 kN |
| 基本額定靜載荷 | 1760 lbf 7850 N 7.85 kN |
| 最大擰緊力矩 | 34磅·英寸 |
| 極限轉速 | 5900轉/分鐘 |
| 重量 | 1.918 lb 0.870 kg |
| 應用溫度范圍 | -40 to 250 oF -40 to 120 oC |
| 潤滑方式 | 可再潤滑 |
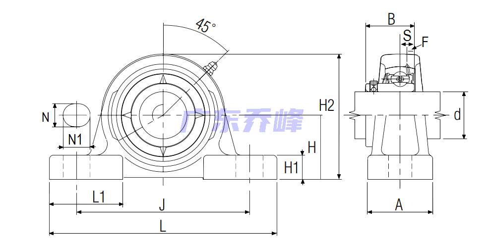
NTN ARPL-1軸承尺寸規格
| 超一流軸承座帶緊定螺釘,中心低,ARPL型 - 尺寸 | |
| d | 1 in 25.400 mm |
| J | 4-1/8 in 104.8 mm |
| L | 5.5000 in 139.7 mm |
| A | 1.5000 in 38.1 mm |
| H | 1-5/16 in 33.3 mm |
| H1 | 0.5938 in 15.1 mm |
| H2 | 2.6875 in 68.3 mm |
| N | 0.4375 in 11.1 mm |
| N1 | 0.8125 in 20.6 mm |
| L1 | 1.6563 in 42.1 mm |
| B | 1.0630 in 27.000 mm |
| S | 0.2953 in 7.500 mm |
| F | 0.1378 in 3.500 mm |
NTN ARPL-1軸承尺寸圖
NTN ARPL-1軸承同尺寸型號
| UCPL-1 | 詳細尺寸,d:25.400mm,h:33.30000mm,b:38.100mm,j:104.800mm,2b:68.300mm,r:139.700mm |
| ARPL-1 | 詳細尺寸,d:25.400mm,h:33.30000mm,b:38.100mm,j:104.800mm,2b:68.300mm,r:139.700mm |
| JELPL-1 | 詳細尺寸,d:25.400mm,h:33.30000mm,b:38.100mm,j:104.800mm,2b:68.300mm,r:139.700mm |
| UELPL-1 | 詳細尺寸,d:25.400mm,h:33.30000mm,b:38.100mm,j:104.800mm,2b:68.300mm,r:139.700mm |
| 共計找到4條記錄 | |
NTN ARPL-1軸承相關配件/適用型號
| A-AR205-100D1 | 詳細尺寸,d:25.400mm,dD:52.000mm,c:15.000mm,b:27.000mm,r:1.000mm |
NTN軸承推薦
| NTN 6004LLUN軸承 | 描述:軸承型號:6004LLUN,單列深溝球軸承 - 雙面密封(接觸式橡膠密封),帶止動環槽 |
| NTN 6003LLBC3軸承 | 描述:軸承型號:6003LLBC3,單列深溝球軸承 - 雙面密封(非接觸式橡膠密封) |
| NTN 6206HT200軸承 | 描述:軸承型號:6206HT200,單列深溝球軸承,Topline系列 - 雙面密封 (接觸式氟橡膠密封) |
| NTN 6209P4軸承 | 描述:軸承型號:6209P4,單列深溝球軸承 - 開式 |
| NTN 6318LLBN軸承 | 描述:軸承型號:6318LLBN,單列深溝球軸承 - 雙面密封(非接觸式橡膠密封),帶止動環槽 |
| NTN WC88500C3軸承 | 描述:軸承型號:WC88500C3,單列深溝球軸承 - 雙面密封(接觸式橡膠密封),WC88000系列 |
| NTN EC-6308LLU軸承 | 描述:軸承型號:EC-6308LLU,膨脹補償軸承 - 雙面密封(接觸式橡膠密封) |
| NTN UEL312-206D1軸承 | 描述:軸承型號:UEL312-206D1,帶偏心鎖緊套的外球面軸承,寬外圈 - 球面外圈 |
| NTN 562936軸承 | 描述:軸承型號:562936,雙向推力角接觸球軸承 |
| NTN 30206UP5軸承 | 描述:軸承型號:30206P5,圓錐滾子軸承 - 公制系列 |
進口軸承推薦
| FAG 22220-E1-XL-K-C5軸承 | 描述:4.6 kg,調心滾子軸承(X-life品質) |
| NSK 6202C3E軸承 | 描述:0.044 kg,單列深溝球軸承 |
| NTN R14ZZ軸承 | 描述:0.06 kg,單列深溝球軸承 |
| TIMKEN 6204-Z-C3軸承 | 描述:0.103 kg,單列深溝球軸承 |
| SKF 21309EK/C3軸承 | 描述:0.998 kg,調心滾子軸承 |
MCGILL軸承推薦
| MCGILL CCFD1-5/8軸承 | 基本尺寸,內徑:0.00000mm,外徑:1.62500mm,厚度:0.87500mm。 |
| MCGILL FCF3軸承 | 基本尺寸,內徑:0.00000mm,外徑:3.00000mm,厚度:2.00000mm。 |
| MCGILL CYR6-S軸承 | 基本尺寸,內徑:57.15000mm,外徑:152.40000mm,厚度:3.25000mm。 |
| MCGILL GR26N+MI21N軸承 | 基本尺寸,內徑:1.62500mm,外徑:2.18750mm,厚度:1.00000mm。 |
| MCGILL GR12N+MI9N軸承 | 基本尺寸,內徑:0.75000mm,外徑:1.25000mm,厚度:0.75000mm。 |

