NSK BSF3590DDUHP2BDT軸承代號說明
-
B
S
F
3
5
9
0
D
D
U
H
P
2
B
D
T
-:多余前綴
BSF:滾珠絲杠支撐用外圈一體式雙列角接觸球軸承單元,帶螺栓安裝孔
35:內徑:35mm
90:外徑:90mm
DDU:雙面帶三重接觸式橡膠密封
H:重預緊
P2B:專用精度,旋轉精度 ISO 2級,其他為特殊級
DT:雙列串聯(<<)配對
-:
多余前綴
BSF:
滾珠絲杠支撐用外圈一體式雙列角接觸球軸承單元,帶螺栓安裝孔
35:
內徑:35mm
90:
外徑:90mm
DDU:
雙面帶三重接觸式橡膠密封
H:
重預緊
P2B:
專用精度,旋轉精度 ISO 2級,其他為特殊級
DT:
雙列串聯(<<)配對
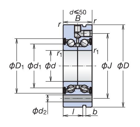
NSK BSF3590DDUHP2BDT軸承尺寸、參數與圖紙
| 軸承尺寸及安裝尺寸(mm) | ||
| 內徑 | d | 35 |
| 外徑 | D | 90 |
| 厚度 | 68 | |
| rmin | 0.6 | |
| r1 min | 0.6 | |
| d1 | 53.1 | |
| D1 | 62.2 | |
| J | 75 | |
| d2 | 8.8 | |
| l | 59 | |
| b | 3 | |
| t | 8x45° | |
| 基本額定載荷(kN) | ||
| 基本額定動載荷 | Ca | 68 |
| 基本額定靜載荷 | Coa | 155 |
| 極限軸向靜載荷 | 104 | |
| 允許軸向靜載荷 | 72.8 | |
| 極限轉速(min-1) | ||
| 脂潤滑 | 3800 | |
| 其他參數 | ||
| 預緊力(N) | - | |
| 軸向剛度(N/μm) | 1630 | |
| 起動力矩(N·m) | 0.41 | |
| 螺母鎖緊力推薦值(N) | 13500 | |
| 形式 | I | |
| 螺栓公稱型號 | M8 | |
| 螺栓數量 | 7 | |
| 質量(kg)(參考值) | 2.3 | |
NSK BSF3590DDUHP2BDT軸承相關產品推薦
| 其他型號 | 市場價 | 喬峰價 | 庫存 |
| NSK BSF3590DDUHP3軸承,貨期1-3周 | ¥3789.5元 | - | 3 |
NSK軸承推薦
| NSK TAC60-3T85SUMPN5D Q軸承 | NSK TAC60-3T85SUMPN5D Q軸承,市場價:¥2205.00元,當前庫存50套,添加時間:2023-08-31 13:15:21 |
| NSK 85TMP93P5 5軸承 | NSK 85TMP93P5 5軸承,市場價:¥3371.85元,當前庫存42套,添加時間:2023-09-01 11:21:03 |
| NSK 85BER10HTSUELP3軸承 | NSK 85BER10HTSUELP3軸承,市場價:¥7354.41元,當前庫存9套,添加時間:2023-08-29 19:37:58 |
| NSK NN3009KCC1P5軸承 | NSK NN3009KCC1P5軸承,市場價:¥690.61元,當前庫存51套,添加時間:2023-08-30 16:19:08 |
| NSK 180BTR10SDBLP4A Q軸承 | NSK 180BTR10SDBLP4A Q軸承,市場價:¥9878.40元,當前庫存2套,添加時間:2023-08-30 21:11:41 |
SKF軸承推薦
| SKF 32944/DF軸承 | 【單列,面對面配置,圓錐滾子軸承】,內徑220.0000 mm,外徑300.0000 mm,厚度102.0000 mm |
| SKF 28700軸承 | 【適用于一般工業應用場合的徑向軸密封件】,內徑0.0000 mm,外徑0.0000 mm,厚度0.0000 mm |
| SKF W619/2XR軸承 | 【深溝球軸承】,內徑2.0000 mm,外徑6.0000 mm,厚度2.5000 mm |
| SKF 52X85X10HMS5RG軸承 | 【適用于一般工業應用場合的徑向軸密封件】,內徑0.0000 mm,外徑0.0000 mm,厚度0.0000 mm |
| SKF BK3016軸承 | 【沖壓外圈滾針軸承】,內徑30.0000 mm,外徑37.0000 mm,厚度16.0000 mm |
INA軸承推薦
| INA NATV17#E軸承 | INA NATV17#E軸承,市場價:¥82.01元,當前庫存30套,添加時間:2023-08-25 10:45:02 |
| INA CSCU075-2RS-HLE軸承 | INA CSCU075-2RS-HLE軸承,市場價:¥13125.00元,當前庫存1套,添加時間:2023-08-22 19:45:30 |
| INA HK0608-B-HLC-L271#SM03軸承 | INA HK0608-B-HLC-L271#SM03軸承,市場價:¥3.57元,當前庫存3936套,添加時間:2023-08-23 19:34:39 |
| INA GYE60-XL-KRR-B軸承 | INA GYE60-XL-KRR-B軸承,市場價:¥237.39元,當前庫存5套,添加時間:2023-08-22 22:03:42 |
| INA KWVE20-B-SNL-V0-G3軸承 | INA KWVE20-B-SNL-V0-G3軸承,市場價:¥989.20元,當前庫存2套,添加時間:2023-08-26 10:29:17 |

