NMB DDRF-4ZZ軸承尺寸、參數與圖紙
| 基本尺寸 (mm) | |
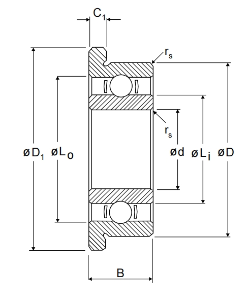
| 軸承內徑 d | 6.35 |
| 軸承外徑 D | 15.875 |
| 軸承厚度 B | 4.978 |
| 密封型軸承厚度 B | 4.978 |
| 倒角半徑 rs(min) | 0.3 |
| 法蘭外徑 D1 | 17.53 |
| 開式軸承法蘭厚度 C1 | 1.07 |
| 密封式軸承法蘭厚度 C1 | 1.07 |
| 基本尺寸 (in) | |
| 軸承內徑 d | 0.25 |
| 軸承外徑 D | 0.625 |
| 開式軸承厚度 B | 0.196 |
| 密封型軸承厚度 B | 0.196 |
| 倒角半徑 rs(min) | 0.012 |
| 法蘭外徑 D1 | 0.69 |
| 開式軸承法蘭厚度 C1 | 0.042 |
| 密封式軸承法蘭厚度 C1 | 0.042 |
| 安裝尺寸 (mm) | |
| 開式軸承外圈內徑 Lo | 0.513 |
| 開式軸承內圈外徑 Li | 0.323 |
| 密封式軸承外圈內徑 Lo | 0.513 |
| 密封式軸承內圈外徑 Li | 0.323 |
| 載荷(N) | |
| 基本動載荷 | 1470 |
| 基本靜載荷 | 599 |
| 滾珠參數 | |
| 數量 Z | 8 |
| 直徑(mm) Dw | 2.3813 |
微型軸承推薦
| NSK MR105WM1C3ER NS7R5軸承 | 基本尺寸,內徑:5.00000mm,外徑:10.00000mm,厚度:3.00000mm。 |
| NMB DDRI-518ZZRA1P25LY121軸承 | 基本尺寸,內徑:3.17500mm,外徑:7.93800mm,厚度:2.77900mm。 |
| EZO 695ZZP6MC3 SRL軸承 | 基本尺寸,內徑:5.00000mm,外徑:13.00000mm,厚度:4.00000mm。 |
| EZO SSF6900ZZ軸承 | 基本尺寸,內徑:10.00000mm,外徑:22.00000mm,厚度:6.00000mm。 |
| EZO F6-14M軸承 | 基本尺寸,內徑:6.00000mm,外徑:14.00000mm,厚度:5.00000mm。 |
FAG軸承推薦
| FAG 24032-BE-XL-K30-T52BW-R218-248+AH24032軸承 | FAG 24032-BE-XL-K30-T52BW-R218-248+AH24032軸承,市場價:¥5360.00元,當前庫存10套,添加時間:2023-08-20 18:19:40 |
| FAG S6207-2RSR-FD軸承 | FAG S6207-2RSR-FD軸承,市場價:¥597.22元,當前庫存10套,添加時間:2023-08-17 14:41:08 |
| FAG 51128軸承 | FAG 51128軸承,市場價:¥734.45元,當前庫存14套,添加時間:2023-08-18 15:43:47 |
| FAG 6212-M-J20AA-C4軸承 | FAG 6212-M-J20AA-C4軸承,市場價:¥2633.63元,當前庫存15套,添加時間:2023-08-17 15:57:11 |
| FAG 22336-BE-XL-K-C4軸承 | FAG 22336-BE-XL-K-C4軸承,市場價:¥19476.91元,當前庫存5套,添加時間:2023-08-20 14:03:49 |
IKO軸承推薦
| IKO BAM2616軸承 | 基本尺寸,內徑:41.27500mm,外徑:50.80000mm,厚度:25.40000mm。 |
| IKO GE90GS-2RS軸承 | 基本尺寸,內徑:90.00000mm,外徑:150.00000mm,厚度:85.00000mm。 |
| IKO CFKR80V軸承 | 基本尺寸,內徑:30.00000mm,外徑:80.00000mm,厚度:35.00000mm。 |
| IKO YB148/MF3軸承 | 基本尺寸,內徑:22.22500mm,外徑:28.57500mm,厚度:12.70000mm。 |
| IKO CF5BR軸承 | 基本尺寸,內徑:5.00000mm,外徑:13.00000mm,厚度:9.00000mm。 |

