NMB 635DDSD07M3SMLY551T軸承代號說明
N
M
B
6
3
5
D
D
S
D
0
7
M
3
S
M
L
Y
5
5
1
T
NMB :軸承品牌:NMB
6:公稱軸承外徑:6 mm
35:公稱軸承內徑:3.5 mm
DD:兩側帶接觸式橡膠密封圈
SD07:特殊設計規格,編號:7
M3:游隙范圍:5μm 至 10μm
SM:標準噪音水平
LY551:高溫高轉速潤滑脂,溫度范圍:- 40oC 至 200oC
T:潤滑脂填充量:15% - 20%
NMB :
軸承品牌:NMB
6:
公稱軸承外徑:6 mm
35:
公稱軸承內徑:3.5 mm
DD:
兩側帶接觸式橡膠密封圈
SD07:
特殊設計規格,編號:7
M3:
游隙范圍:5μm 至 10μm
SM:
標準噪音水平
LY551:
高溫高轉速潤滑脂,溫度范圍:- 40oC 至 200oC
T:
潤滑脂填充量:15% - 20%
NMB 635DDSD07M3SMLY551T軸承尺寸、參數與圖紙
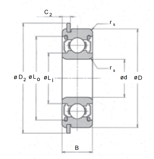
| 基本尺寸 (mm) | |
| 軸承內徑 d | 5 |
| 軸承外徑 D | 19 |
| 軸承厚度 B | 6 |
| 倒角半徑 rs(min) | 0.3 |
| 基本尺寸 (in) | |
| 軸承內徑 d | 0.1969 |
| 軸承外徑 D | 0.748 |
| 開式軸承厚度 B | 0.2362 |
| 倒角半徑 rs(min) | 0.012 |
| 安裝尺寸 (mm) | |
| 止動環外徑 D2 | - |
| 止動環邊距 C2 | - |
| 軸承外圈內徑 Lo | 16.68 |
| 軸承內圈外徑 Li | 9.2 |
| 載荷(N) | |
| 基本動載荷 | 2614 |
| 基本靜載荷 | 1053 |
| 滾珠參數 | |
| 數量 Z | 7 |
| 直徑(mm) Dw | 3.5 |
| 其他參數 | |
| ISO/JIS 標準代號 | 635 |
微型軸承推薦
| NSK MF74T12ZZMC3 PS2S5軸承 | 基本尺寸,內徑:4.00000mm,外徑:7.00000mm,厚度:2.00000mm。 |
| EZO F695ZZW5軸承 | 基本尺寸,內徑:5.00000mm,外徑:13.00000mm,厚度:4.00000mm。 |
| NMB BJL-1790ZZMNP0P13LY121軸承 | 基本尺寸,內徑:9.00000mm,外徑:17.00000mm,厚度:4.00000mm。 |
| SKF 6000-2RSH/C2ELHT23軸承 | 基本尺寸,內徑:10.00000mm,外徑:26.00000mm,厚度:8.00000mm。 |
| EZO MF137ZZ軸承 | 基本尺寸,內徑:7.00000mm,外徑:13.00000mm,厚度:3.00000mm。 |
FAG軸承推薦
| FAG HCM7013-E-2RSD-T-P4S-UL-XL軸承 | FAG HCM7013-E-2RSD-T-P4S-UL-XL軸承,市場價:¥12921.98元,當前庫存2套,添加時間:2023-08-21 16:22:32 |
| FAG B7016-E-T-P4S-UL軸承 | FAG B7016-E-T-P4S-UL軸承,市場價:¥865.27元,當前庫存30套,添加時間:2023-08-21 13:50:36 |
| FAG S682-X-2Z-HLC軸承 | FAG S682-X-2Z-HLC軸承,市場價:¥105.53元,當前庫存10套,添加時間:2023-08-17 12:54:35 |
| FAG 7315-B-XL-TVP-UO軸承 | FAG 7315-B-XL-TVP-UO軸承,市場價:¥1679.67元,當前庫存11套,添加時間:2023-08-17 21:47:50 |
| FAG B7015-C-T-P4S-UL軸承 | FAG B7015-C-T-P4S-UL軸承,市場價:¥890.19元,當前庫存100套,添加時間:2023-08-21 13:45:23 |
IKO軸承推薦
| IKO CF-RU1-30-2軸承 | 基本尺寸,內徑:30.00000mm,外徑:90.00000mm,厚度:35.00000mm。 |
| IKO CFKR32UU軸承 | 基本尺寸,內徑:12.00000mm,外徑:32.00000mm,厚度:14.00000mm。 |
| IKO NA4915UU軸承 | 基本尺寸,內徑:75.00000mm,外徑:105.00000mm,厚度:30.00000mm。 |
| IKO TAFI9012036軸承 | 基本尺寸,內徑:90.00000mm,外徑:120.00000mm,厚度:36.00000mm。 |
| IKO CFES8BUUR軸承 | 基本尺寸,內徑:8.00000mm,外徑:19.00000mm,厚度:11.00000mm。 |

