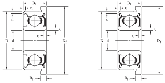
EZO R8ZZ軸承尺寸、參數與圖紙
| 基本尺寸 (in) | |
| 軸承內徑 B | 0.5 |
| 軸承外徑 D | 1.125 |
| 法蘭外徑 Df | 1.2252 |
| 倒角半徑 rs(min) | 0.0157 |
| 開式軸承厚度 B | 0.25 |
| 開式軸承法蘭厚度 Bf | 0.062 |
| 密封軸承厚度 B1 | 0.3125 |
| 密封軸承法蘭厚度 Bf1 | 0.062 |
| 重量(g) | |
| 開式 | 11.6 |
| 開式帶法蘭 | 13 |
| 密封型 | 24.1 |
| 密封型帶法蘭 | 25.6 |
| 載荷(N) | |
| 基本動載荷 | 5108 |
| 基本靜載荷 | 2413 |
| 極限轉速(rpm) | |
| 脂潤滑 | 27000 |
| 油潤滑 | 32000 |
| 滾珠參數 | |
| 數量 Z | 8 |
| 尺寸 Dw | 0.1875 |
微型軸承推薦
| NSK SMR85A10-H-26T1-08 M AF2Q5軸承 | 基本尺寸,內徑:5.00000mm,外徑:8.00000mm,厚度:2.00000mm。 |
| NMB DDLF-840ZZHP0P25LY121軸承 | 基本尺寸,內徑:4.00000mm,外徑:8.00000mm,厚度:2.00000mm。 |
| SKF W638/4R-2Z軸承 | 基本尺寸,內徑:4.00000mm,外徑:9.00000mm,厚度:4.00000mm。 |
| NSK MR126JZZMC2EP5 D8SW5軸承 | 基本尺寸,內徑:6.00000mm,外徑:12.00000mm,厚度:3.00000mm。 |
| NMB L-2112DSMTRP0P13LY740T軸承 | 基本尺寸,內徑:12.00000mm,外徑:21.00000mm,厚度:5.00000mm。 |
FAG軸承推薦
| FAG 7214-B-XL-MP-UA軸承 | FAG 7214-B-XL-MP-UA軸承,市場價:¥561.75元,當前庫存75套,添加時間:2023-08-17 21:40:17 |
| FAG 20324-MB軸承 | FAG 20324-MB軸承,市場價:¥12289.37元,當前庫存3套,添加時間:2023-08-19 11:26:08 |
| FAG NU319-E-XL-TVP2#E軸承 | FAG NU319-E-XL-TVP2#E軸承,市場價:¥826.60元,當前庫存22套,添加時間:2023-08-18 22:39:42 |
| FAG 3802-B-2Z-TVH-HLC#N10軸承 | FAG 3802-B-2Z-TVH-HLC#N10軸承,市場價:¥82.24元,當前庫存4套,添加時間:2023-08-17 17:49:43 |
| FAG B7020-E-2RSD-T-P4S-UL軸承 | FAG B7020-E-2RSD-T-P4S-UL軸承,市場價:¥3698.18元,當前庫存5套,添加時間:2023-08-21 15:15:34 |
IKO軸承推薦
| IKO TRI173425軸承 | 基本尺寸,內徑:17.00000mm,外徑:34.00000mm,厚度:25.00000mm。 |
| IKO TAF172520軸承 | 基本尺寸,內徑:17.00000mm,外徑:25.00000mm,厚度:20.00000mm。 |
| IKO NAXI4535Z軸承 | 基本尺寸,內徑:45.00000mm,外徑:70.00000mm,厚度:35.00000mm。 |
| IKO TLAM2820軸承 | 基本尺寸,內徑:28.00000mm,外徑:35.00000mm,厚度:20.00000mm。 |
| IKO BAM186軸承 | 基本尺寸,內徑:28.57500mm,外徑:34.92500mm,厚度:9.52000mm。 |

