MCGILL ROLLWAY-E5311B軸承代號說明
R
O
L
L
W
A
Y
-
E
5
3
1
1
B
ROLLWAY-:軸承品牌:ROLLWAY
E:TRU-ROL代號,等于ISO代號NU,圓柱滾子軸承,內圈雙向可分離
53:尺寸系列:5300 系列
11:公稱軸承內徑:55 mm
B:外圈帶兩個卡環,不可分離型
ROLLWAY-:
軸承品牌:ROLLWAY
E:
TRU-ROL代號,等于ISO代號NU,圓柱滾子軸承,內圈雙向可分離
53:
尺寸系列:5300 系列
11:
公稱軸承內徑:55 mm
B:
外圈帶兩個卡環,不可分離型
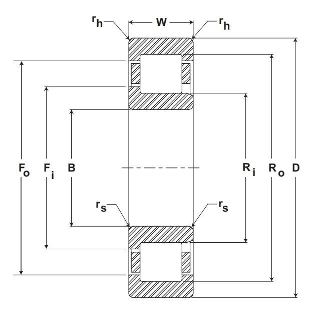
MCGILL ROLLWAY-E5311B軸承尺寸、參數與圖紙
| 基本尺寸 (mm) | |
| 軸承內徑 B | 55 |
| 軸承外徑 D | 120 |
| 軸承厚度 W | 49.2 |
| 內圈倒角半徑 Rs | 2 |
| 外圈倒角半徑 Rh | 2 |
| 內圈法蘭擋肩外徑 Fi | 77.9 |
| 內圈外徑 Ri | 71.4 |
| 外圈法蘭擋肩內徑 Fo | 97.8 |
| 外圈內徑 Ri | 103.6 |
| 重量(kg) | |
| 2.8 | |
| 載荷(N) | |
| 基本動載荷 | 199405 |
| 基本靜載荷 | 247027 |
MCGILL軸承推薦
| MCGILL CF1-1/4S軸承 | 基本尺寸,內徑:0.00000mm,外徑:31.75000mm,厚度:19.05000mm。 |
| MCGILL CCYRD3-1/4軸承 | 基本尺寸,內徑:1.00000mm,外徑:3.25000mm,厚度:1.75000mm。 |
| MCGILL CCF4SB軸承 | 基本尺寸,內徑:0.00000mm,外徑:101.60000mm,厚度:57.15000mm。 |
| MCGILL ROLLWAY-N313EMC3軸承 | 基本尺寸,內徑:65.00000mm,外徑:140.00000mm,厚度:33.00000mm。 |
| MCGILL ROLLWAY-NU2216EMC3軸承 | 基本尺寸,內徑:80.00000mm,外徑:140.00000mm,厚度:33.00000mm。 |
FAG軸承推薦
| FAG 6328-M-J20C-C3軸承 | FAG 6328-M-J20C-C3軸承,市場價:¥8379.00元,當前庫存4套,添加時間:2023-08-17 16:16:59 |
| FAG 6306-H-C3軸承 | FAG 6306-H-C3軸承,市場價:¥19.43元,當前庫存492套,添加時間:2023-08-17 14:35:06 |
| FAG 22326-E1-XL-K-C4軸承 | FAG 22326-E1-XL-K-C4軸承,市場價:¥8847.02元,當前庫存4套,添加時間:2023-08-20 13:33:05 |
| FAG 698-2Z-HLC-C3軸承 | FAG 698-2Z-HLC-C3軸承,市場價:¥38.68元,當前庫存228套,添加時間:2023-08-15 17:13:26 |
| FAG HS71908-E-T-P4S-UL軸承 | FAG HS71908-E-T-P4S-UL軸承,市場價:¥992.29元,當前庫存3套,添加時間:2023-08-21 16:02:08 |
IKO軸承推薦
| IKO NATB5912軸承 | 基本尺寸,內徑:60.00000mm,外徑:85.00000mm,厚度:34.00000mm。 |
| IKO CFS4F軸承 | 基本尺寸,內徑:4.00000mm,外徑:8.00000mm,厚度:5.00000mm。 |
| IKO BA66ZOH軸承 | 基本尺寸,內徑:9.52500mm,外徑:14.28800mm,厚度:9.52000mm。 |
| IKO BR486024軸承 | 基本尺寸,內徑:76.20000mm,外徑:95.25000mm,厚度:38.10000mm。 |
| IKO CFKR62V軸承 | 基本尺寸,內徑:24.00000mm,外徑:62.00000mm,厚度:29.00000mm。 |

