IKO NATA5902軸承代號說明
N
A
T
A
5
9
0
2
NATA:推力角接觸球與滾針復合軸承
5:寬度:5系列
9:直徑:9系列
02:內徑代號,配上內圈時內圈內徑:15 mm
NATA:
推力角接觸球與滾針復合軸承
5:
寬度:5系列
9:
直徑:9系列
02:
內徑代號,配上內圈時內圈內徑:15 mm
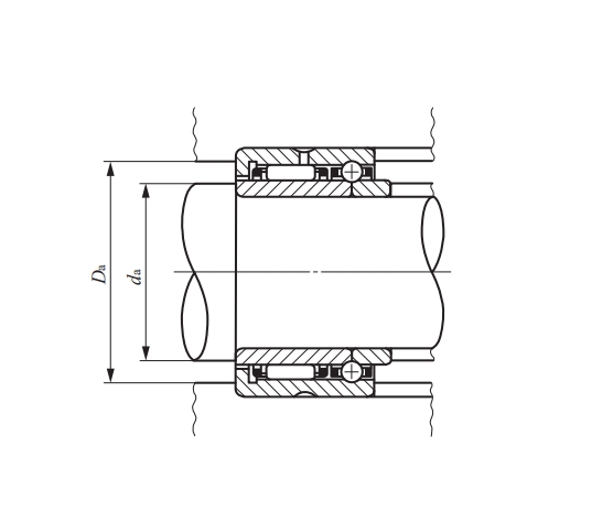
IKO NATA5902軸承尺寸、參數與圖紙
| 基本尺寸 (mm) | |
| 軸徑 d | 15 |
| 內徑 d | 15 |
| 外徑 D | 28 |
| 厚度 C | 18 |
| 厚度 B | 20 |
| 倒角尺寸 rs min | 0.3 |
| 滾子下直徑 Fw | 20 |
| 標準安裝尺寸 (mm) | |
| da Min. | 17 |
| Da Max. | 26 |
| 重量(g) | |
| 50.5 | |
| 載荷(N) | |
| 動態基本額定載荷 - 徑向 | 7710 |
| 動態基本額定載荷 - 軸向 | 1900 |
| 靜態基本額定載荷 - 徑向 | 10200 |
| 靜態基本額定載荷 - 軸向 | |
| 其他參數 | |
| 極限轉速 /min | 20000 |
| 其他品牌替代型號(為基本代號,僅供參考,詳細請咨詢客服) | |
| NTN | NKIA5902 |
| INA | NKIA5902 |
| SKF | NKIA5902 |
IKO NATA5902軸承相關產品推薦
| 其他型號 | 市場價 | 喬峰價 | 庫存 |
| IKO =NKIA5902軸承 | ¥95.55元 | - | 10 |
IKO軸承推薦
| IKO NA6903軸承 | 基本尺寸,內徑:17.00000mm,外徑:30.00000mm,厚度:23.00000mm。 |
| IKO NA4928軸承 | 基本尺寸,內徑:140.00000mm,外徑:190.00000mm,厚度:50.00000mm。 |
| IKO BA59ZOH軸承 | 基本尺寸,內徑:7.93800mm,外徑:12.70000mm,厚度:14.27000mm。 |
| IKO BAM1314軸承 | 基本尺寸,內徑:20.63800mm,外徑:26.98800mm,厚度:22.22000mm。 |
| IKO CFS1.4WV軸承 | 基本尺寸,內徑:1.40000mm,外徑:4.00000mm,厚度:1.70000mm。 |
TIMKEN軸承推薦
| TIMKEN LM451310-B軸承 | TIMKEN LM451310-B軸承,市場價:¥50839.00元,當前庫存1套,添加時間:2023-09-14 13:24:39 |
| TIMKEN 14118A/14274A軸承 | TIMKEN 14118A/14274A軸承,市場價:¥1382.94元,當前庫存43套,添加時間:2023-09-14 21:27:00 |
| TIMKEN LM114848/LM114811軸承 | TIMKEN LM114848/LM114811軸承,市場價:¥2939.42元,當前庫存9套,添加時間:2023-09-05 17:56:30 |
| TIMKEN 595/592AS軸承 | TIMKEN 595/592AS軸承,市場價:¥561.86元,當前庫存26套,添加時間:2023-09-15 11:33:41 |
| TIMKEN 30224M軸承 | TIMKEN 30224M軸承,市場價:¥625.09元,當前庫存8套,添加時間:2023-09-08 15:27:37 |
NSK軸承推薦
| NSK BSF3080DDUHP2B R BE4L 5軸承 | NSK BSF3080DDUHP2B R BE4L 5軸承,市場價:¥5775.00元,當前庫存1套,添加時間:2023-08-31 15:03:20 |
| NSK 51136X軸承 | NSK 51136X軸承,市場價:¥1400.07元,當前庫存16套,添加時間:2023-09-01 10:34:52 |
| NSK 7228CTP5軸承 | NSK 7228CTP5軸承,市場價:¥5852.87元,當前庫存3套,添加時間:2023-08-29 21:20:37 |
| NSK 7017CTYNDBDLP5 Q軸承 | NSK 7017CTYNDBDLP5 Q軸承,市場價:¥2829.63元,當前庫存12套,添加時間:2023-08-29 19:33:33 |
| NSK 60BER19XTSUELP3軸承 | NSK 60BER19XTSUELP3軸承,市場價:¥2887.50元,當前庫存4套,添加時間:2023-08-29 14:45:41 |

