SKF 6217-2RS1K/R801軸承代號說明
S
K
F
6
2
1
7
-
2
R
S
1
K
/
R
8
0
1
SKF :軸承品牌:SKF
6:深溝球軸承
2:尺寸系列:02系列
17:內徑:85 mm
-2RS1:軸承兩側帶丙烯腈-丁二烯橡膠(NBR)鋼板增強接觸式密封件
K:錐孔,錐度 1:12
/:分隔符
R801:與月份和年份相關的內部代碼
SKF :
軸承品牌:SKF
6:
深溝球軸承
2:
尺寸系列:02系列
17:
內徑:85 mm
-2RS1:
軸承兩側帶丙烯腈-丁二烯橡膠(NBR)鋼板增強接觸式密封件
K:
錐孔,錐度 1:12
/:
分隔符
R801:
與月份和年份相關的內部代碼
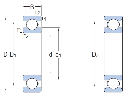
SKF 6217-2RS1K/R801軸承尺寸、參數與圖紙
| 外形尺寸 (mm) | |
| 軸承內徑 d | 85 |
| 軸承外徑 D | 150 |
| 軸承厚度 B | 28 |
| 內圈外徑 d1 ≈ | 106 |
| 內圈外徑 d2 ≈ | - |
| 外圈內徑 D1 ≈ | - |
| 外圈內徑 D2 ≈ | 135 |
| 倒角半徑 r1,2.min | 2 |
| 橋臺和倒角尺寸 (mm) | |
| 內圈擋肩 da.min | 96 |
| 內圈擋肩 da.max | 105 |
| 外圈擋肩 Da.max | 139 |
| 倒角半徑 ra.max | 2 |
| 額定載荷(kN) | |
| 額定動載荷 C | 87.1 |
| 額定靜載荷 Co | 64 |
| 疲勞極限載荷 Pu | 2.5 |
| 轉速額定值(r/min) | |
| 參考轉速 | - |
| 極限轉速 | 2800 |
| 其他參數 | |
| 參考重量 | 1.9 kg |
| 計算系數 k.r | 0.025 |
| 計算系數 f.0 | 15 |
| 相關產品推薦 | |||
| 型號 | 市場價 | 喬峰價 | 庫存 |
| 6217-2RS1/C3軸承 | ¥413.4元 | 電話咨詢 | 22 |
| 6217-2RS1軸承 | ¥416元 | 電話咨詢 | 86 |
| 6217-RS1軸承 | ¥1519.7元 | 電話咨詢 | 1 |
深溝球軸承推薦
| SKF 61908-2RSR軸承 | 基本尺寸,內徑:40.00000mm,外徑:62.00000mm,厚度:12.00000mm。 |
| SKF 6003-2RSH/VA947軸承 | 基本尺寸,內徑:17.00000mm,外徑:35.00000mm,厚度:10.00000mm。 |
| NTN TS2-6205LLUAC3/4C軸承 | 基本尺寸,內徑:25.00000mm,外徑:52.00000mm,厚度:15.00000mm。 |
| SKF 6304RSJEM軸承 | 基本尺寸,內徑:20.00000mm,外徑:52.00000mm,厚度:15.00000mm。 |
| NTN 6312ZZC4/2E軸承 | 基本尺寸,內徑:60.00000mm,外徑:130.00000mm,厚度:31.00000mm。 |
FAG軸承推薦
| FAG 7316-B-XL-TVP-UO軸承 | FAG 7316-B-XL-TVP-UO軸承,市場價:¥735.00元,當前庫存64套,添加時間:2023-08-17 21:53:40 |
| FAG 6209-H-2RSR-C3軸承 | FAG 6209-H-2RSR-C3軸承,市場價:¥31.50元,當前庫存217套,添加時間:2023-08-17 14:45:57 |
| FAG 609.C3.L85軸承 | FAG 609.C3.L85軸承,市場價:¥6.77元,當前庫存1000套,添加時間:2023-08-17 13:08:46 |
| FAG 7005-B-XL-2RS-TVP軸承 | FAG 7005-B-XL-2RS-TVP軸承,市場價:¥495.06元,當前庫存296套,添加時間:2023-12-18 11:49:34 |
| FAG 53214U軸承 | FAG 53214U軸承,市場價:¥342.50元,當前庫存2套,添加時間:2023-08-18 15:22:06 |
IKO軸承推薦
| IKO GTRI9012550軸承 | 基本尺寸,內徑:90.00000mm,外徑:125.00000mm,厚度:50.00000mm。 |
| IKO RNA6914UU軸承 | 基本尺寸,內徑:80.00000mm,外徑:100.00000mm,厚度:54.00000mm。 |
| IKO NAS5015ZZNR軸承 | 基本尺寸,內徑:75.00000mm,外徑:115.00000mm,厚度:54.00000mm。 |
| IKO TAF657835軸承 | 基本尺寸,內徑:65.00000mm,外徑:78.00000mm,厚度:35.00000mm。 |
| IKO CFKRE52UUR軸承 | 基本尺寸,內徑:24.00000mm,外徑:52.00000mm,厚度:24.00000mm。 |

